This thread has been locked.

If you have a related question, please click the "Ask a related question" button in the top right corner. The newly created question will be automatically linked to this question.

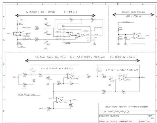
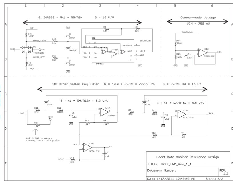
TLV274

Other Parts Discussed in Thread: TLV274, INA332

你好 问下TLV274文档上构成二阶Sallen-Key滤波器R13和R16连的是VDD/2为啥这上是VDD/4啊

  • 楼主您好,

    很简单,因为要使得你用的仪放INA332的输出电压刚好在电源轨中间,那么就需要让输入信号的共模电压等于VCC/4。所以周边的放大电路采用的基准电压也都是VCC/4。

    楼主可以参见INA332内部的原理图,如下:

    如不清楚,欢迎继续交流