This thread has been locked.

If you have a related question, please click the "Ask a related question" button in the top right corner. The newly created question will be automatically linked to this question.

tvp5150am1问题

Other Parts Discussed in Thread: TVP5150

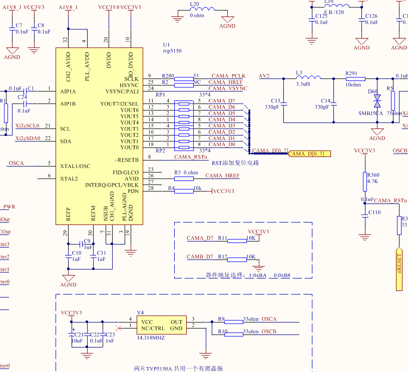
最近设计的一块电路板,TVP5150频繁出现问题,具体原因还没查到,现象总结在这里,希望大家帮忙分析下

1、RST脚经常出现复位不正常,电压值在1.2----3.3V之间。

2、sclk脚输出有时候是800多K

3、有一片sclk脚烧坏,与地接通了。

原理图基本是按照datasheet设计,一个有源晶振挂了两片5150AM1芯片。