
LM324系列器件带有差动输入的四运算放大器。与单电源应用场合的标准运算放大器相比,它们有一些显著优点。该四放大器可以工作在低到3.0伏或者高到32伏的电源下,静态电流为MC1741的静态电流的五分之一。共模输入范围包括负电源,因而消除了在许多应用场合中采用外部偏置元件的必要性。每一组运算放大器可用图1所示的符号来表示,它有5个引出脚,其中“+”、“-”为两个信号输入端,“V+”、“V-”为正、负电源端,“Vo”为输出端。两个信号输入端中,Vi-(-)为反相输入端,表示运放输出端Vo的信号与该输入端的相位相反;Vi+(+)为同相输入端,表示运放输出端Vo的信号与该输入端的相位相同。
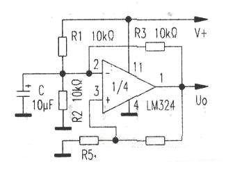
用l/4的LM324等组成的多谐振荡器电路见下图。该运放工作在电压比较器状态。正反馈网络中的R2、R4对输出电压Uo分压后,作为同相输入端(3)脚的基准电压v+,反相输入端(2)脚v-取自R3、C组成的积分电路C两端。v-与v+进行比较,而决定输出电压Uo电平的高低。由于C不断在正、反两个方向充电和放电.使v-的电压不断大于V+和小于v+.输出电压U0也随之在低、高电平之间翻转,就会得到一定周期和频率的方波信号。该振荡器最大特点:温漂小,频率稳定性高。其振荡频率与R3、C的阻、容值有直接关系,与所用的运算放大器特性无关。