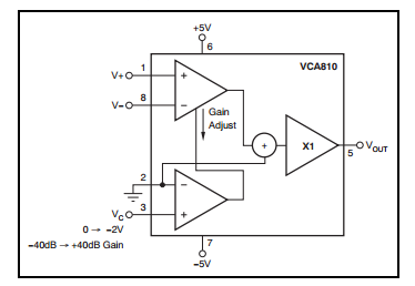
这是我在VCA810的数据手册上看到的电路,电路焊出来后,输出噪声很大!而且在控制电压从0调节到-0.6后波形就出不来了。
1.首先这运放的正输入端为什么要接一个50欧的电阻;(我接上输入信号时,信号会被拉下来。)
2.电压孔数输入端接了一个Rc电阻到地,这电阻的阻值为多大?
调了2天了甚是头疼,哪位大侠以前调试过的,给点意见啊。
This thread has been locked.
If you have a related question, please click the "Ask a related question" button in the top right corner. The newly created question will be automatically linked to this question.
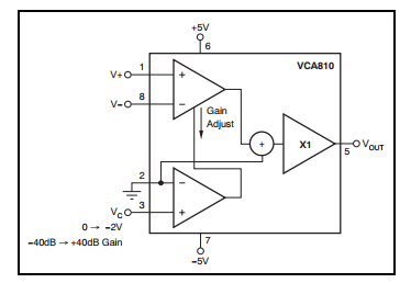
这是我在VCA810的数据手册上看到的电路,电路焊出来后,输出噪声很大!而且在控制电压从0调节到-0.6后波形就出不来了。
1.首先这运放的正输入端为什么要接一个50欧的电阻;(我接上输入信号时,信号会被拉下来。)
2.电压孔数输入端接了一个Rc电阻到地,这电阻的阻值为多大?
调了2天了甚是头疼,哪位大侠以前调试过的,给点意见啊。