请问OPA690反相输入端的输入阻抗根据其DATASHEET上的值是很大的
但因为一个无意的巧合,我将opa690接成开环放大电路时,示波器出来的现象和其输入阻抗为高阻抗相悖,请问专家是什么原因。现将仿真结果贴下来:
第一幅图是R3为100欧姆时,示波器波形,
第二幅图是R3为700欧姆时,示波器波形,很显然700欧姆与opa690反相输入端输入阻抗相比已经是个不可忽视的阻值了
第三幅图是将R3换成1K,输出全为负值
This thread has been locked.
If you have a related question, please click the "Ask a related question" button in the top right corner. The newly created question will be automatically linked to this question.
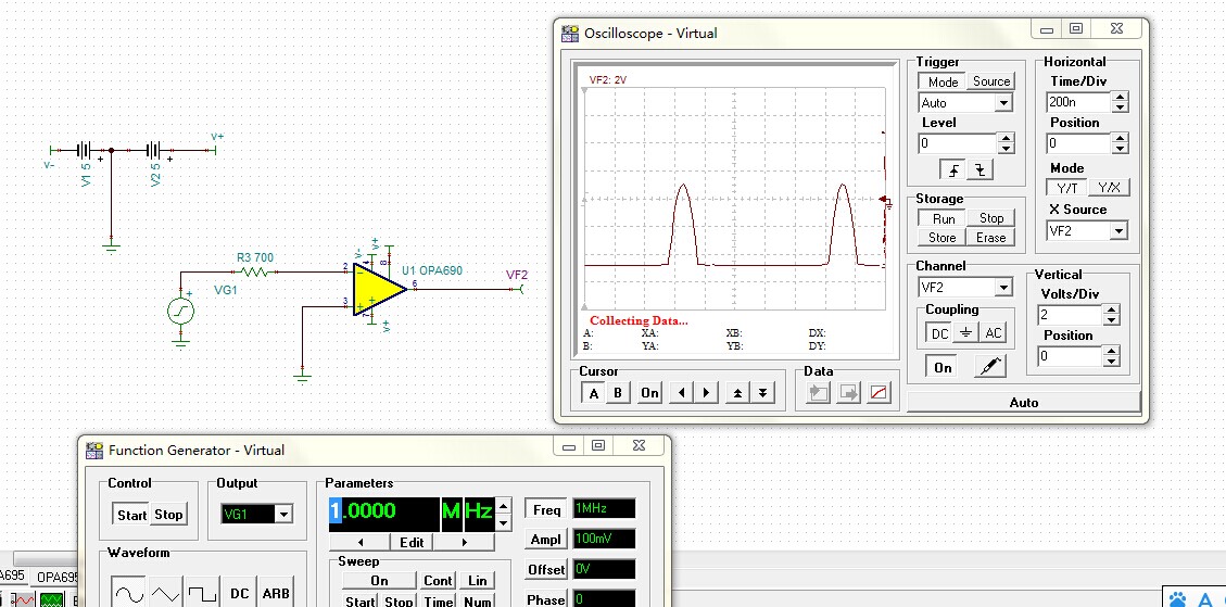
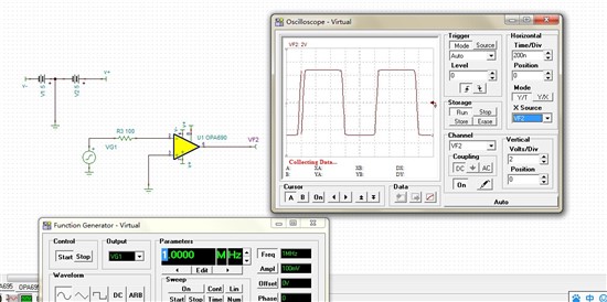
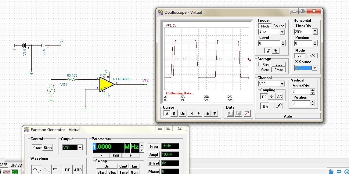
请问OPA690反相输入端的输入阻抗根据其DATASHEET上的值是很大的
但因为一个无意的巧合,我将opa690接成开环放大电路时,示波器出来的现象和其输入阻抗为高阻抗相悖,请问专家是什么原因。现将仿真结果贴下来:
第一幅图是R3为100欧姆时,示波器波形,
第二幅图是R3为700欧姆时,示波器波形,很显然700欧姆与opa690反相输入端输入阻抗相比已经是个不可忽视的阻值了
第三幅图是将R3换成1K,输出全为负值