This thread has been locked.

If you have a related question, please click the "Ask a related question" button in the top right corner. The newly created question will be automatically linked to this question.

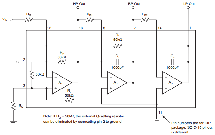
请问:滤波芯片uaf42滤波后有很大的直流偏执,且输入信号稍大些就会削底?

Other Parts Discussed in Thread: UAF42

 

 

我接成反向,且截止频率为2.3k左右,输出信号一直有直流偏执,为-9v左右。且输入幅值为2,.5v的正弦波就会出现削底,(我是按上图接的),请问这是什么情况?是不是跟uaf42的4,5,6引脚有关?对了,芯片为正负12v供电