This thread has been locked.

If you have a related question, please click the "Ask a related question" button in the top right corner. The newly created question will be automatically linked to this question.

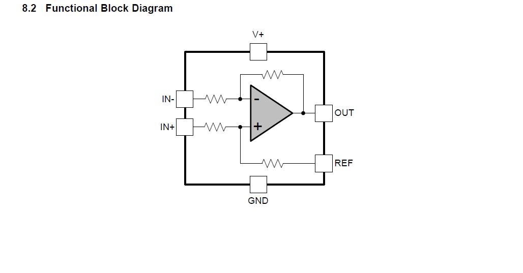
ina214 问题

Other Parts Discussed in Thread: INA214

如果REF脚不连接到GND,  而连接一个(0 --V+)的电压,对Vout有什么影响,可否解释下?