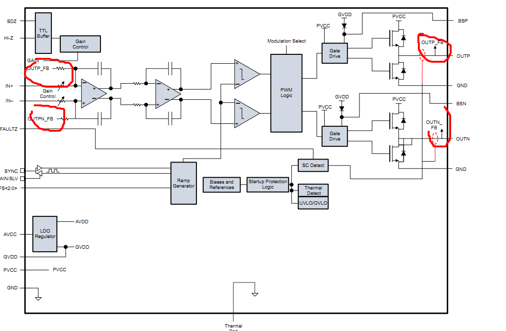
上图是drv595内部的原理框图,红色圈出的部分不知道是否是drv595的反馈(不知道drv595内部是否已集成玩反馈回路),想做一个恒流驱动,若是已集成反馈回路,我就不加入新的反馈回路。下面的英文是drv595的date shee对反馈的说明。请各位老师们给出确定。drv595内部是否已集成玩反馈。
This thread has been locked.
If you have a related question, please click the "Ask a related question" button in the top right corner. The newly created question will be automatically linked to this question.
驱动一个感性线圈,我需要精确的电流驱动,怕线圈温度高的话阻值会发生变化从而引起电流变化,所以打算用电流反馈。
也就是说如果我加上一个感性线圈负载,给定信号不变的话,我可以保证负载的电流不变吗(负载工作时间长阻值会发生变化)
这样的反馈是可以设计的,请问你的螺线管的内阻是多少?
你好,Jason Shen ,螺线管的内阻是7欧姆,电感是3mH,随着温度会发生上下1欧姆的变化,请问怎么用drv595引入反馈保证我的电流(电流是双向的)不发生变化呢?谢谢
你可以参考线性恒流源的方法,使用电流取样电阻,然后放大,然后送到反馈端。
如果不想使用放大器,也可以使用内部基准源较低的变换器,像LM3405一类的。