This thread has been locked.

If you have a related question, please click the "Ask a related question" button in the top right corner. The newly created question will be automatically linked to this question.

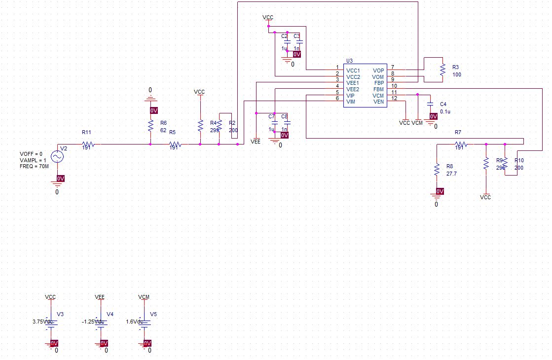
LMH6554的Pspice仿真问题

Other Parts Discussed in Thread: LMH6554

从官网下了LMH6554的spice模型,转换后放到Pspice10.5里仿真,

总是报错

ERROR -- Less than 2 connections at node X_U3.a0185
ERROR -- Less than 2 connections at node X_U3.a0274
ERROR -- Less than 2 connections at node X_U3.a0178
ERROR -- Less than 2 connections at node X_U3.a0127

检查了该连得线都连了,不知道有没有什么建议,谢谢

  • 我打开LMH6554模型是这些,

    .subckt lmh6554 vcc1 vcc2 vee1 vee2 vip vim vop vom fbp fbm vcm ven
    c2 vip vim 1.8e-12
    q3 a0118 a0118 a0130 0 PNP 1
    q4 a0187 a0118 a0146 0 PNP 4
    q0 a211 a0144 a0125 0 PNP 1
    q1 a0144 a0144 a0128 0 PNP 1
    q5 a127 a0118 a0143 0 PNP 4
    q2 a131 a0144 a0122 0 PNP 1
    xoutbufp vcc vee a215 a0145 vop a127 output_stage
    xoutbufm vcc vee a217 a0157 vom a0187 output_stage
    g1 vcc a124 vcc vee 20e-6
    g0 a0158 a0212 a124 0 10e-3
    d6 a137 a159 DIODEideal 1
    d5 a139 a162 DIODEideal 1
    d1 vim a186 DIODEnoisy 1
    d3 a131 vim DIODEnoisy 1
    d0 vip a214 DIODEnoisy 1
    d4 a211 vip DIODEnoisy 1
    c0 a215 0 300e-15
    c1 a217 0 300e-15
    q26 a0171 a0171 a0233 0 NPN 1
    q9 a159 vcm a165 0 NPN 1
    q30 a165 a0171 a0264 0 NPN 1
    q28 a186 a0171 a0229 0 NPN 1
    q33 a0157 a0180 a0267 0 NPN 4
    q32 a0145 a0180 a0269 0 NPN 4
    q29 a0180 a0180 a0124 0 NPN 1
    q10 a162 a164 a188 0 NPN 1
    q31 a188 a0171 a0262 0 NPN 1
    q27 a214 a0171 a0231 0 NPN 1
    v3 a0212 a0171 0
    v2 a0144 a0158 0
    v1 a279 a188 0
    v0 a214 a186 0
    i9 vip vim 1e-6
    i5 vcc a164 7e-6
    i0 vcc a124 1e-3
    f27 vcc a0180 v3 1
    f26 a0118 vee v2 1
    g4 vcc a211 a0185 0 1
    g5 vcc a131 a0274 0 1
    g6 a214 vee 0 a0178 1
    g7 a186 vee 0 a0127 1
    f2 0 a215 v0 1
    f3 0 a217 v0 -1
    f1 0 a217 v1 2
    f0 0 a215 v1 2
    r68 vcc a0125 250
    r78 a0262 vee 250
    r73 vcc a0130 250
    r77 a0264 vee 250
    r72 a0229 vee 250
    r80 a0267 vee 62.5
    r69 vcc a0122 250
    r38 fbp vop 1e-3
    r7 a0127 0 455e-6
    rtm 0 a217 128e3
    r44 vee1 vee 1e-6
    r24 vcc ven 1e6
    r37 vom fbm 1e-3
    r71 a0231 vee 250
    r31 vcc a137 250
    rtp a215 0 128e3
    r32 vcc a139 250
    r67 vcc a0128 250
    r75 vcc a0146 62.5
    r15 vop a164 2.5e3
    r16 a164 vom 2.5e3
    r33 a165 a279 250
    r5 a0274 0 455e-6
    rtc a124 0 100
    r76 vcc a0143 62.5
    r79 a0269 vee 62.5
    r70 a0233 vee 250
    r74 a0124 vee 250
    r4 a0185 0 455e-6
    r40 vcc2 vcc 1e-6
    r41 vcc1 vcc 1e-6
    r6 a0178 0 455e-6
    r43 vee2 vee 1e-6
    .ends lmh6554

    是内部节点有些问题吗?

  • 您好,大概意思是有节点浮空,估计是模型没有添加进去的原因。

  • 您好,大概意思是有节点浮空,估计是模型没有添加进去的原因。