This thread has been locked.

If you have a related question, please click the "Ask a related question" button in the top right corner. The newly created question will be automatically linked to this question.

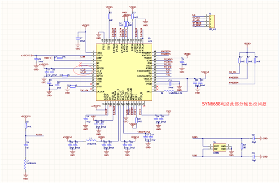
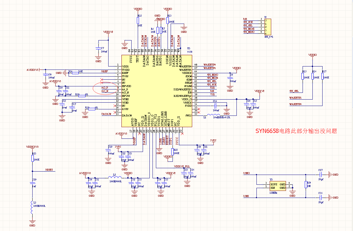
TPA3110D2+SYN6658不发音,测量功放没有输出,求帮助

Other Parts Discussed in Thread: TPA2005D1, TPA3110D2

电路图如下图,大神帮忙分析下,没搞过音频,比较陌生之前用了一款TPA2005D1没问题,声音小给换成TPA3110D2了就不行了,测量SYN6658合成语音后有信号输出信号是在1.5V左右波动,这个正常,进了TPA3110就没了