This thread has been locked.

If you have a related question, please click the "Ask a related question" button in the top right corner. The newly created question will be automatically linked to this question.

INA149高共模差动放大器

Other Parts Discussed in Thread: INA149, AMC1200

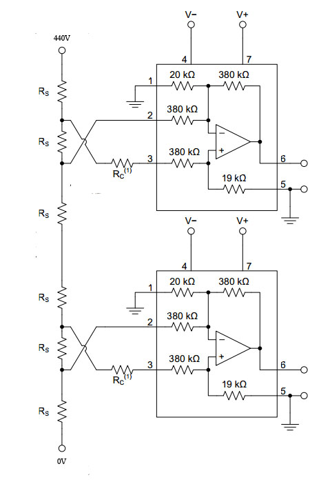
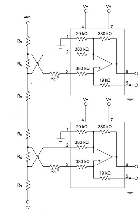
我看到INA149的共模电压范围是正负275V,那么应用在我这个电路中可以么,主电路电压是440V,采样电阻能够分到10V左右的电压。同时想问下这个Rc是什么意思,为什么Rs的值变化会影响到运放的性能。另外,有比这个INA149共模电压在高些的差动放大器么,因为我主电路的电压最后有1KV。