This thread has been locked.

If you have a related question, please click the "Ask a related question" button in the top right corner. The newly created question will be automatically linked to this question.

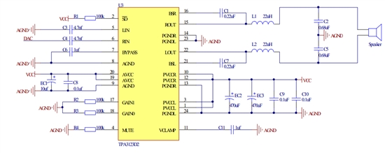
扬声器参数8R,1W。功率放大芯片是TPA3123D2。请问功放的具体参数要怎么配才能正常驱动扬声器?官方给的那个经典电路还需要怎么修改?使用的BTL方式连接



 内容同帖子问题!