Other Parts Discussed in Thread: VCA820
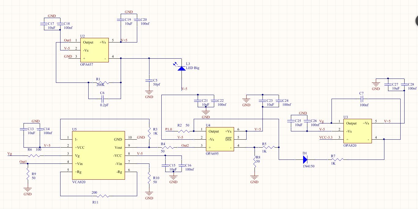
最近利用VCA820数据手册中的自动增益调节电路示例搭建了一个自动增益放大电路,电路运行过程中VCA820放大器发热是否严重,电路板很烫。想请教一下有什么办法可以改进。
This thread has been locked.
If you have a related question, please click the "Ask a related question" button in the top right corner. The newly created question will be automatically linked to this question.
Other Parts Discussed in Thread: VCA820
最近利用VCA820数据手册中的自动增益调节电路示例搭建了一个自动增益放大电路,电路运行过程中VCA820放大器发热是否严重,电路板很烫。想请教一下有什么办法可以改进。