This thread has been locked.

If you have a related question, please click the "Ask a related question" button in the top right corner. The newly created question will be automatically linked to this question.

UAF42ap供电问题还有加电容问题

Other Parts Discussed in Thread: UAF42

麻烦问一下各位大神,

问题一:我用UAF42设计了一个10KHZ的巴特沃斯低通滤波器,当±5v供电时,其可以正常工作,±15v供电时,其也能正常工作,但芯片手册上面写着要±15v供电,为什么±5v供电其也可以正常工作。

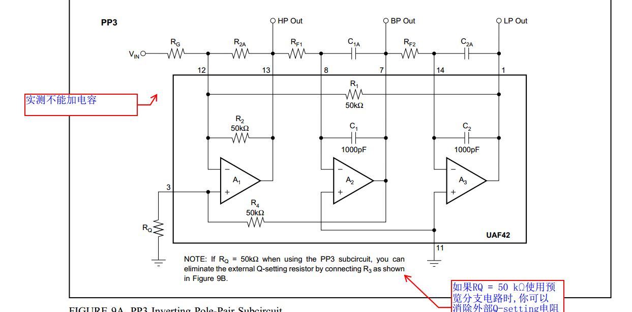
问题二:我按照芯片手册上的PP3搭的电路图(电路图见附件),当按照如图所示加了C1a和C2a电容,分别试了加100nf,10nf,1nf,都不能正常工作,其会发生衰减,而且不在有低通滤波特性,当去掉时,就可以正常工作了,这是为什么呀?

谢谢了,我邮箱是2012120029@cqupt.edu.cn