This thread has been locked.

If you have a related question, please click the "Ask a related question" button in the top right corner. The newly created question will be automatically linked to this question.

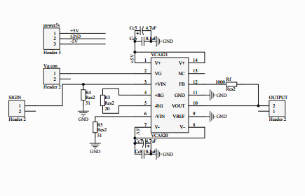
VCA821自激振荡的问题



电路如图所示,pcb在附件中。请问各位大神!

VCA821PCB.pdf