Other Parts Discussed in Thread: THS3091
This thread has been locked.
If you have a related question, please click the "Ask a related question" button in the top right corner. The newly created question will be automatically linked to this question.
那要怎么才能使实现这个功能呢?使用功和器?但是没有做过功和器,开始想用THS3091的,但是对于做宽带射频放大器,这个芯片有点儿力不从心,请问有什么建议吗?
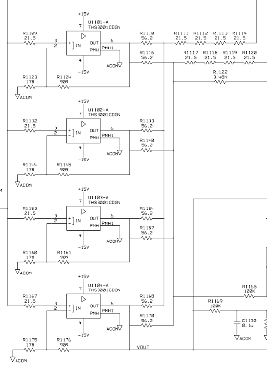
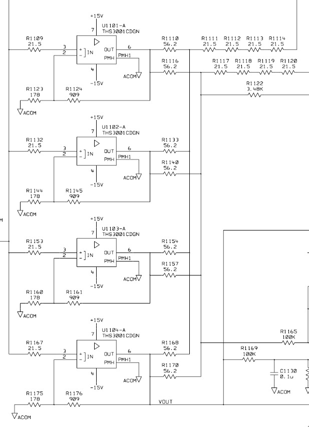
这个问题是一个大问题,凭自己画出来的,感觉电流驱动能力不足,参考了ths3091的资料画出来,在输出那里串联很小的电阻好像可以增加它的驱动能力。还有一种想法就是在末级利用功和器来实现,但功和器没有做过,频率高了之后,肯定会出大问题,请问有没有好的方案给宽带射频进行功率放大。谢谢