This thread has been locked.

If you have a related question, please click the "Ask a related question" button in the top right corner. The newly created question will be automatically linked to this question.

峰值检测电路咨询——opa615

Other Parts Discussed in Thread: OPA615

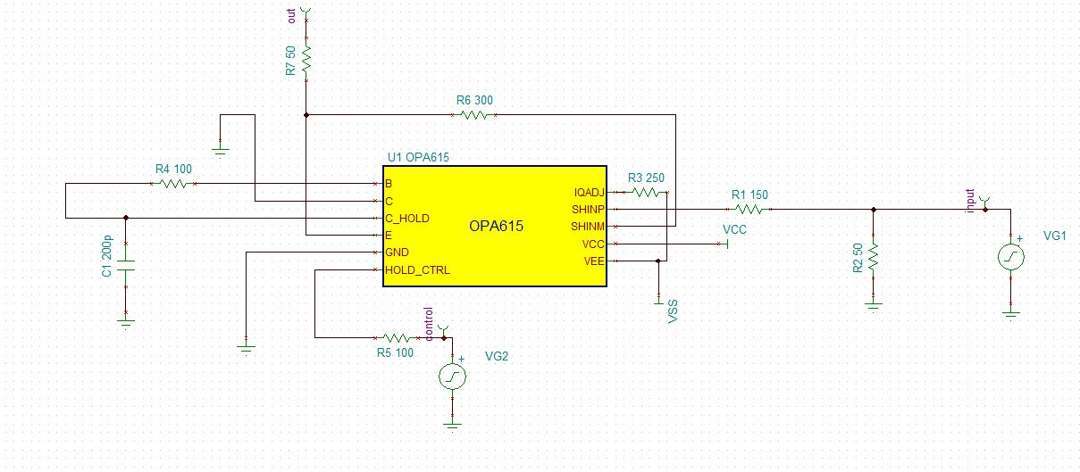
之前看了论坛里的有关于峰值检测电路的帖子,所以就用了TINA运用opa615搭了电路仿真,但没有出现结果。有几个问题想咨询一下,

1.OPA615控制端输入的脉冲信号有频率和脉冲宽度的要求吗?

2.在TINA里有现成的重复脉冲的波形吗?

具体我搭接的电路如下:输入的波形是正弦波,但输出的波形不管输入的幅度多少,一直是个1V左右的直流信号

希望能尽快解答。。