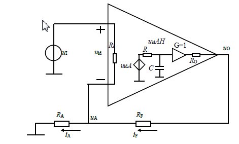
如图中的运放,在频率200Khz时候增益会低于直流增益,是不是理解该电路也存在一个极点,极点之后增益开始下降。但是该运放输出端没有电容存在理论上传递函数中不会出现极点吧。如果存在极点那么传递函数是什么?极点在哪一点?如果没有极点为什么增益会下降?
This thread has been locked.
If you have a related question, please click the "Ask a related question" button in the top right corner. The newly created question will be automatically linked to this question.
如图中的运放,在频率200Khz时候增益会低于直流增益,是不是理解该电路也存在一个极点,极点之后增益开始下降。但是该运放输出端没有电容存在理论上传递函数中不会出现极点吧。如果存在极点那么传递函数是什么?极点在哪一点?如果没有极点为什么增益会下降?