
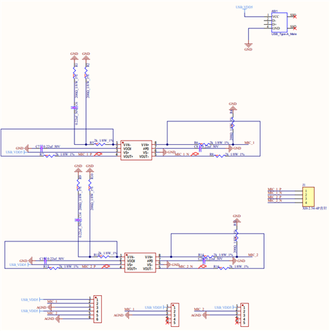
I made a differential module but I can't get the differential signal, here is my schematic design, is there a bug?
This thread has been locked.
If you have a related question, please click the "Ask a related question" button in the top right corner. The newly created question will be automatically linked to this question.
您好,
看到您的电路是想一个单端转差分电路, Vin+端的回路用了(R6,R8), R4未参加运算, 但是Vin-用了(R5,R2,R7), 这样网络会不对称,建议使用R5直接接地,去掉R1 R2 C6.
并且请确认好您的信号源 MIC_! 能够驱动4k欧姆负载.
推荐您先使用仿真验证您的设计. 仿真模型如下:
https://www.ti.com.cn/product/cn/THS4531#design-tools-simulation