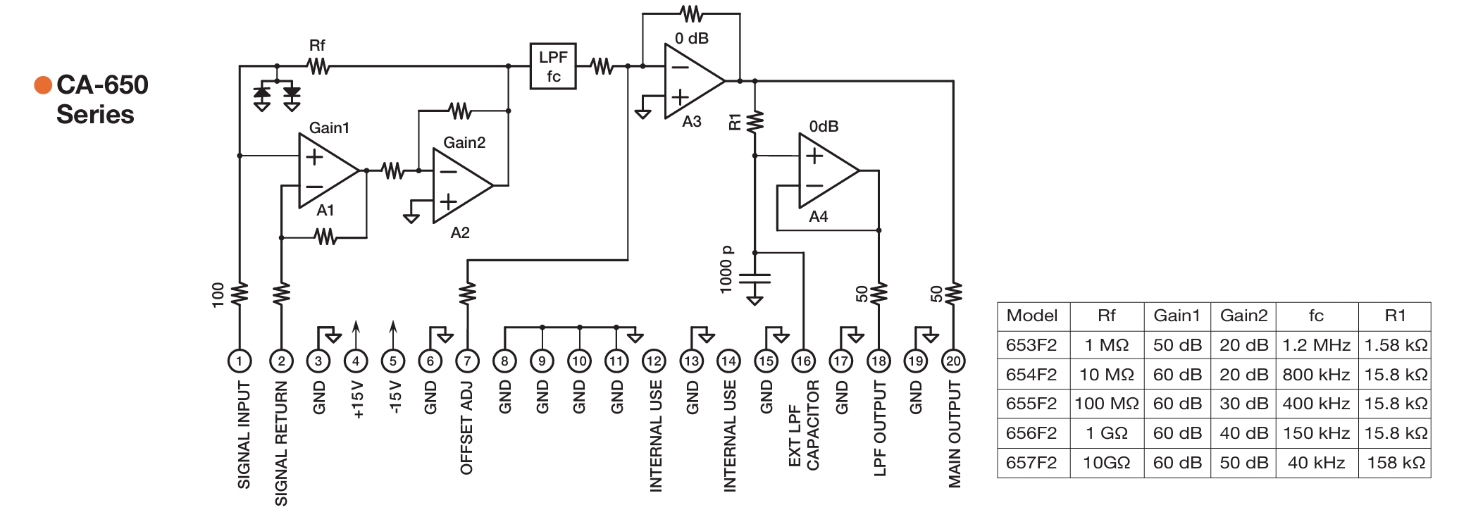
最近看见了这样一个设计,是一个I-V转换电路,可以实现高增益的同时实现高带宽,并且源电容的改变不会大幅度影响带宽。我想知道TI有没有合适的运放可以实现这一电路的前半部分,I-V转换部分,运放的选型以及电阻的配置。
This thread has been locked.
If you have a related question, please click the "Ask a related question" button in the top right corner. The newly created question will be automatically linked to this question.
最近看见了这样一个设计,是一个I-V转换电路,可以实现高增益的同时实现高带宽,并且源电容的改变不会大幅度影响带宽。我想知道TI有没有合适的运放可以实现这一电路的前半部分,I-V转换部分,运放的选型以及电阻的配置。
如果我错了,请纠正我,但表中的收益相当高。 例如,要使用1.2MHz实现这种增益,您将需要一个高bw放大器。 出于某种原因,提到了OPA333,这是一种低频斩波放大器。 请帮助澄清