Other Parts Discussed in Thread: LMH5401, TIDA-00826, , OPA376
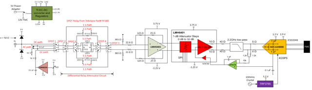
在文档中(TIDA-00826 Design Guide),输入± 3V(6Vpp),选择衰减1/5 档位, LMH5401 放大4倍,lmh6401 增益设置-6dB, 差分输出为 2.4Vpp, 输出串联电阻匹配衰减1/2,也有1.2V差分输出,超过ADC12J4000NKE 输入800mv呀?
This thread has been locked.
If you have a related question, please click the "Ask a related question" button in the top right corner. The newly created question will be automatically linked to this question.
在文档中(TIDA-00826 Design Guide),输入± 3V(6Vpp),选择衰减1/5 档位, LMH5401 放大4倍,lmh6401 增益设置-6dB, 差分输出为 2.4Vpp, 输出串联电阻匹配衰减1/2,也有1.2V差分输出,超过ADC12J4000NKE 输入800mv呀?
您好,
已经收到了您的案例,调查需要些时间,感谢您的耐心等待
你的问题是什么? 您是否需要有关此参考设计的技术支持或协助客户进行设计?
我将为您了解电路设计的有效输入范围提供支持。
您好
1.2V (或1.25V)输出可能是 LMH6401的输出共模直流值、该值由 OPA376和 ADC 提供的值进行设置。 请检查是否已将 ADC VOCM 信号适当提供给 LMH6401。
在最大和最小信号条件50mVpp 至6Vpp 下、该系统设计为处于 ADC 的 FS 输入范围内。 是否已设置电路以匹配参考设计? 您是否有正在使用的硬件?
设计指南中的 TINA 文件也显示了一些仿真文件。 您可以在 TINA 中重建电路、并检查那里的各种偏置和增益设置。