Part Number: LM2901-Q1
Other Parts Discussed in Thread: LM2901
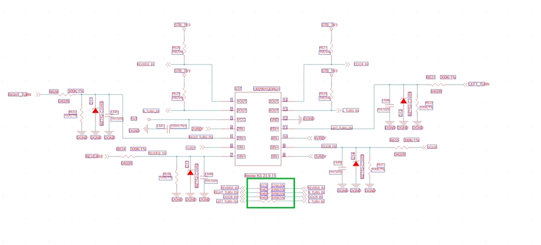
我司客戶要改正回授,想請問綠框處的Hysteresis電阻值要配多少才正確?這四根GPIO (DOOR、LEFT_TURN、RIGHT_TURN、REVERSE)都是9-36V輸入

This thread has been locked.
If you have a related question, please click the "Ask a related question" button in the top right corner. The newly created question will be automatically linked to this question.