DRV8412 的 fast decay and slow decay 如何实现。

Other Parts Discussed in Thread: DRV8412

 TI  工程师:

         DRV8412 的 fast decay and slow decay   如何利用 PWM 实现。 谢谢! 

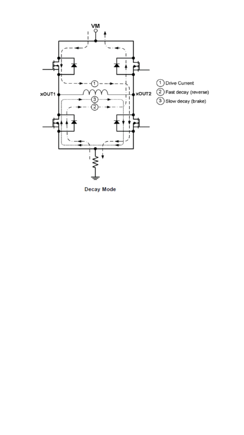
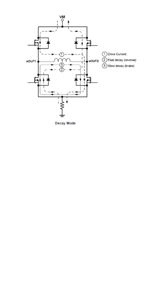
  • DRV8412内部没有自带Decay功能,所以可以通过外部PWM控制来实现。如下图,在每个PWM周期里,先是打开对应FET来驱动线圈,然后关掉FET来续流,在续流时间内,选择是2-Fast Decay还是3-Slow Decay。2就是反向的上下管FET打开,3就是全下管FET打开。