LM96194几个问题

Other Parts Discussed in Thread: LM96194

1、供电时序问题,引脚说明如下,那么其他状态对上电时序有要求吗?数据手册上也没找到关于这个LOW POWER STATES的说明。

低功耗状态的采集功能不需要的情况下LM96194可以通过+3.3V供电,但是这个PIN的电需要早于任何其他pin。

2、这个pin的戴维南电阻需要保持在1-7k,怎么理解?相当于图7的R2在1-7k之间?

 

3、LM96194的PWM输出是个OD门,数据手册里面下图的名称命名应该是低电平有效,但是看引脚说明没有说明?具体是怎么样的?

 

 

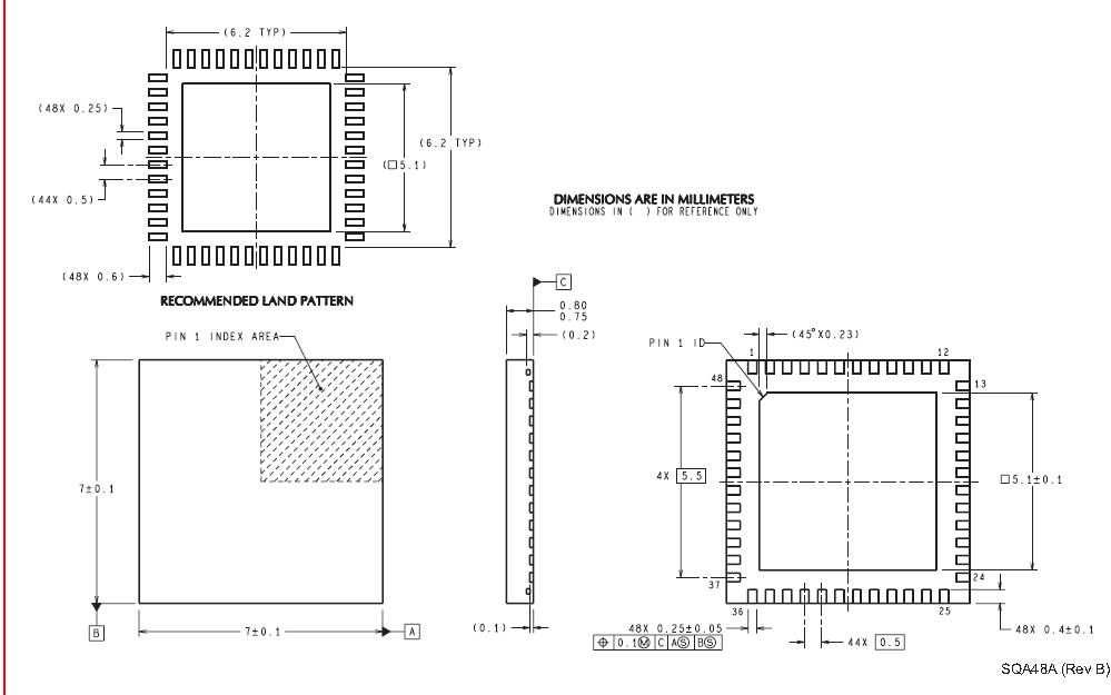
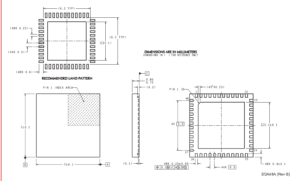
  • 补充一个问题,封装里面有个PAD,应该如何处理?文档里面没有说明是接GND还是悬空。 以及一个datasheet里面的一个错误,39PIN的描述不同,应该是AD_IN9是对的

  • thermal pad是需要接在负压轨上,如果是单电源供电,那么接GND,如果是双电压供电,则接在VEE即负压上。

  • 对其他状态没有特殊的上电时序要求,注意上电POR(power on reset)的时序即可。
    1K~7K指的是从输入端往外看,R1和R2的等效并联输入阻抗大小。
    关于PWM1和PWM2,我的理解为,二者为OD输出,需要上拉电阻到VCC,因此Temperature boost error and tachometer error events can cause the fan control PWM output(s) to go to full on 。
    也就是说,Temperature boost error 和tachometer error 会导致内部MOS 导通,PWM输出为低。