E2E™ 设计支持
搜索
用户
站点
搜索
用户
E2E™ 中文设计支持 >
论坛
放大器
API 解答
音频
时钟和计时
数据转换器
DLP® 产品
接口
隔离
逻辑
微控制器
电机驱动器
处理器
电源管理
射频与微波
传感器
站点支持
开关与多路复用器
工具
无线连接
参考译文
存档组
存档论坛
技术文章
模拟
汽车
DLP® 技术
嵌入式处理
工业
电源管理
TI 培训
快速入门
English
更多
取消
存档论坛
其它模拟产品 (Read-Only)
论坛
提及
子组
标记
更多
Cancel
提出相关问题
什么是相关问题?
相关问题是指与本问题有关联性的问题,”相关问题“ 被创建后,会自动链接到当前的原始问题。
提出新问题
提出新问题
Cancel
状态
回复
1 回复
订户
9 订户
视图
1762 视图
用户
0 会员在此处
drv8840
选项
标记
更多
取消
选项
共享
更多
取消
相关
DRV8840驱动直流电机总是报警
user3694136
Prodigy
121
points
Other Parts Discussed in Thread:
DRV8840
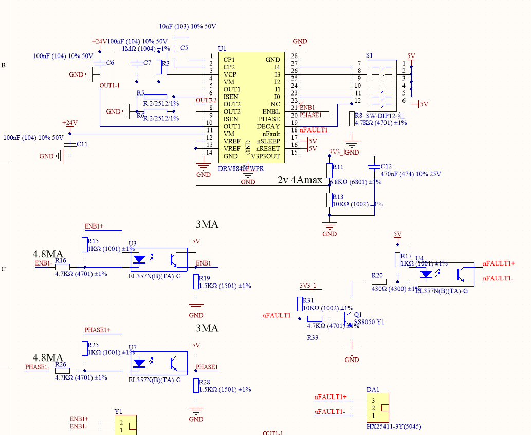
上面是DRV8840的设计原理图,驱动直流电机,空载时电流0.3A,运行一段时间会自动停止,报警信号被拉低,请问是什么原因呢?点驱动负载电流大了反而不会报警
6 年多前
0
Alvin Zheng
6 年多前
TI__Genius
13080
points
报错就先看下有什么问题,比如热了吗?电压都正常吗?
取消
向上
0
True
向下
取消