DRV8323RH使用问题

Other Parts Discussed in Thread: CSD88599Q5DC, DRV8323

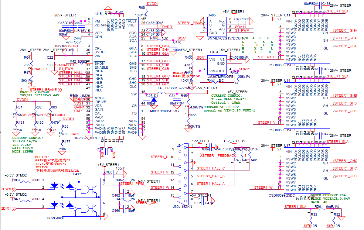
目前正在使用DRV8323RH+CSD88599Q5DC芯片制作了无刷电机驱动器,DRV8323RH芯片使用硬件配置模式,DRV8323RH使能管脚使用电阻直接上拉至高电平,在给控制器上电的一瞬间,三个半桥共用一个电流采样电阻,取样电阻阻值为8mΩ,在给控制器上电的一瞬间,测量该采样电阻上的电压约为250mV左右,换算成电流为250/8=31.25A,怀疑是MOS管上下桥臂导通导致的;然后将DRV8323的使能端强制拉低,即驱动器处于sleep mode,现象依旧。目前不知道该如何解决,请专家帮忙指导下,有无好的解决办法。插图为取样电阻上的瞬间电压。