您好,请问贵公司是否有满足-40摄氏度~70摄氏度的低成本-10V电压基准芯片。
技术文档中查到REF102可以通过输出端接地从地端输出-10V电压,但其他器件如REF5010、LM4040D10 的技术文档中没有提及此种应用,不知道这种方法是否适用于其他芯片。
另外,资料中说上述方法会减小输出电流,请问是否有其他低成本、小尺寸、输出大于10mA的-10V电压基准解决方案。
谢谢
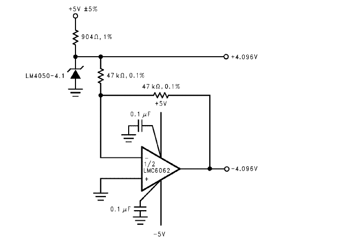
最简单的方法;用LM158等运放缓冲一下。能方便获得任意基准电压值;且能满意获得输出10mA的电流能力。
建议LM4050-10
这里有个参考电路: