你好:
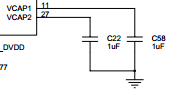
ads1292r的 11 和 27 管脚datasheet中说的是Analog bypass capacitor ,但是ads1292r的用户手册里的原理图中11 和27 接的bypass capacitor 接的地信号是数字地,如图
这是为什么?
其实电路图接数字地和模拟地都没有关系,只要记住的layout时将数字地和模拟地分开就好。就像ADS1292r数据手册这个图一样,数字地和模拟地都画的一样,分不出来。