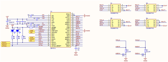
设计DRV8711驱动时,参考BOOST-DRV8711电路进行了简化。
修改地方如下:
1、对芯片nSLEEP管脚进行了2K电阻上拉,无单片机IO口控制,相当于只有上拉,无其他控制信号,一直使芯片工作,不进入低功耗模式;
2、对RESET、BIN1和BIN2管脚进行悬空。只要一上电,不对芯片寄存器进行复位,要进行操作使用SPI,BIN1和BIN2直接不使用;
3、若将nFAULT和nSTALL位的信号不与单片机IO连接,也就是不读取错误信号,直接使用SPI读取芯片内部寄存器进行判断是否可行?
麻烦TI工程师帮忙看一看,这样修改,会不会存在问题,谢谢!
附电路图:
