Other Parts Discussed in Thread: OMAP-L137
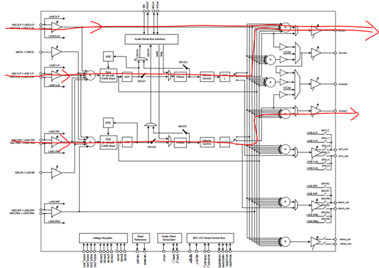
做项目需要有三通道的音频输入,现在用的开发板OMAP-L137,想到两通道的信号通过LINEIN,另一路通过MICIN,请问该如何配置呢?这样会不会相互影响啊?
This thread has been locked.
If you have a related question, please click the "Ask a related question" button in the top right corner. The newly created question will be automatically linked to this question.
Other Parts Discussed in Thread: OMAP-L137
做项目需要有三通道的音频输入,现在用的开发板OMAP-L137,想到两通道的信号通过LINEIN,另一路通过MICIN,请问该如何配置呢?这样会不会相互影响啊?
您的意思我理解的是:I2C通过写AIC3106的寄存器可以配置LINEIN两路信号,就是通过寄存器19和22,是这样吗?MIC通过一路DAC我不是很明白,不都应该是由ADC采样吗?我后期处理过的信号还要有两路输出,还望您不吝赐教,非常感谢!Airwill 说:I2C 和 SPI 都可以实现控制, MIC 通过一路 DAC 实现.