大家好,
最近使用TPA2008D2来驱动扬声器,根据参考电路做的,在输出端接了个LC滤波电路,如下图所示。
现象:空载情况下,L1和L2发热严重,测试了5块板子,电流均达到0.14A;去掉电感之后,电流为0;将电感换成0欧姆电阻,电流也很小,可以忽略不计。
请问是什么原因呢?我怀疑是电感的问题,用的是普通的0805封装电感。官方是否有建议使用什么型号的电感吗?
谢谢!
This thread has been locked.
If you have a related question, please click the "Ask a related question" button in the top right corner. The newly created question will be automatically linked to this question.
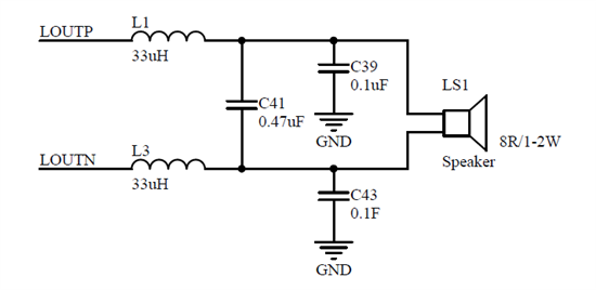
大家好,
最近使用TPA2008D2来驱动扬声器,根据参考电路做的,在输出端接了个LC滤波电路,如下图所示。
现象:空载情况下,L1和L2发热严重,测试了5块板子,电流均达到0.14A;去掉电感之后,电流为0;将电感换成0欧姆电阻,电流也很小,可以忽略不计。
请问是什么原因呢?我怀疑是电感的问题,用的是普通的0805封装电感。官方是否有建议使用什么型号的电感吗?
谢谢!