This thread has been locked.

If you have a related question, please click the "Ask a related question" button in the top right corner. The newly created question will be automatically linked to this question.

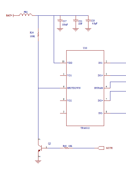
TPA6112A2 音频延时3S输出

Other Parts Discussed in Thread: TPA6112A2

蓝牙耳机项目用到功放TPA6112A2,但是在使用中遇到问题:
1.蓝牙连接手机,打开音频播放器,点击开始,但是从点击到音频播出大概有3秒的延时!
音频输出为CSR BC5
请问什么原因,该如何解决?
后来FAE来了,最后建议更换芯片