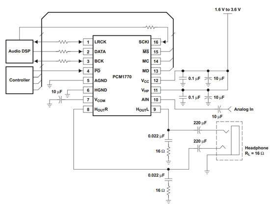
我们通过根据PCM1770的技术文档提供的基础电路设计图,其中的Vcc与Vhp共用0.1uF和10uF的电容。其余接法和器件参数一样。
但在播放24KHz与32KHz的音频文件的过程中使用耳机听音乐时候,声音中有音乐的声音同时也有一些白噪音。
根据文档的说明,我们设置register 03的DEM位为1,降低了白噪音但还是有一点,同时声音高频无法上去。
4个register的设置值分别是:
register 01: 0x3E;
register 02: 0x3E;
register 03: 0x89;
register 04: 0x10;
请问有没有办法消除白噪音。


