This thread has been locked.

If you have a related question, please click the "Ask a related question" button in the top right corner. The newly created question will be automatically linked to this question.

设计的PCM5242与EVM板无法连接问题

Other Parts Discussed in Thread: TPA3251, PCM5242

Dears

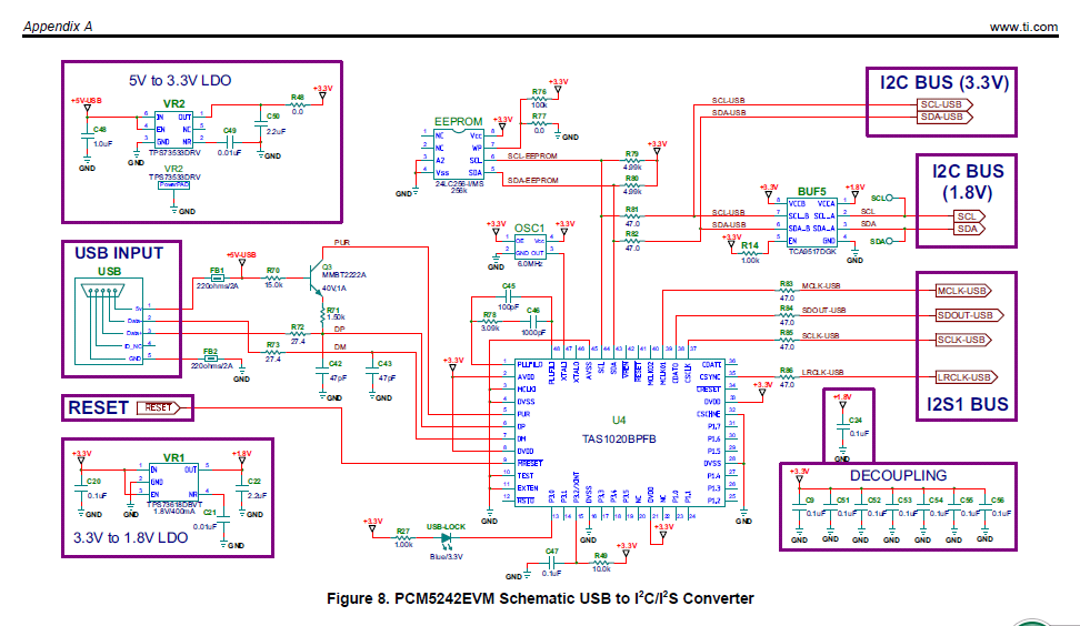
     使用PCM524+TPA3251开发有源音箱,使用自身的板载的MCU加载程序在可以正常播放出声音,PCM5242有信号输出,其中PCM5242的数字和模拟部分供电均为3.3V。现在为了调试各种音效,需要断开板载上的MCU的I2C信号,然后使用评估板上的I2C控制(连接到如下图的I2C BUS 3.3V这里),但是目前问题评估板PCM5242EVM无法正常识别到PCM5242,GUI就无法进行调试工作,请各位指点?急!