This thread has been locked.

If you have a related question, please click the "Ask a related question" button in the top right corner. The newly created question will be automatically linked to this question.

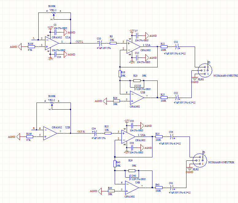
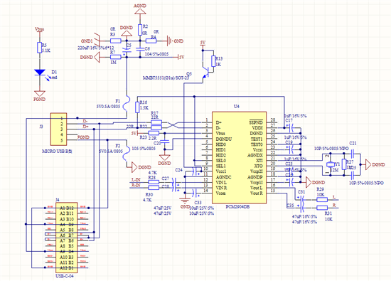
PCM2904DB 声卡 Vin R没信号



TI工程师你好!~ 我用PCM2904DB 做声卡,从Vin R输入没信号,帮我看一下原理图有没有问题。