This thread has been locked.

If you have a related question, please click the "Ask a related question" button in the top right corner. The newly created question will be automatically linked to this question.

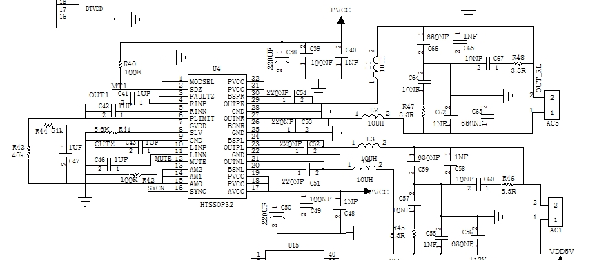
TPA3116D2声音断续失真问题

Other Parts Discussed in Thread: TPA3116D2

各位好,本人是菜鸟第一次用TPA3116d2的芯片,做了块2.1声道功放板,焊接出来上电时,有时有声音有时无声音(PVCC19.7v,2#-3#有时16v,有时0v),当有声音的时候声音也不正常,听起来是失真一样(一个声道输出为1/2 PVCC,另一声道一边16v 一边6v),功放前有运放(单电源做的),一直找不出原因,,希望各位路过的大神指点下,谢谢