This thread has been locked.

If you have a related question, please click the "Ask a related question" button in the top right corner. The newly created question will be automatically linked to this question.

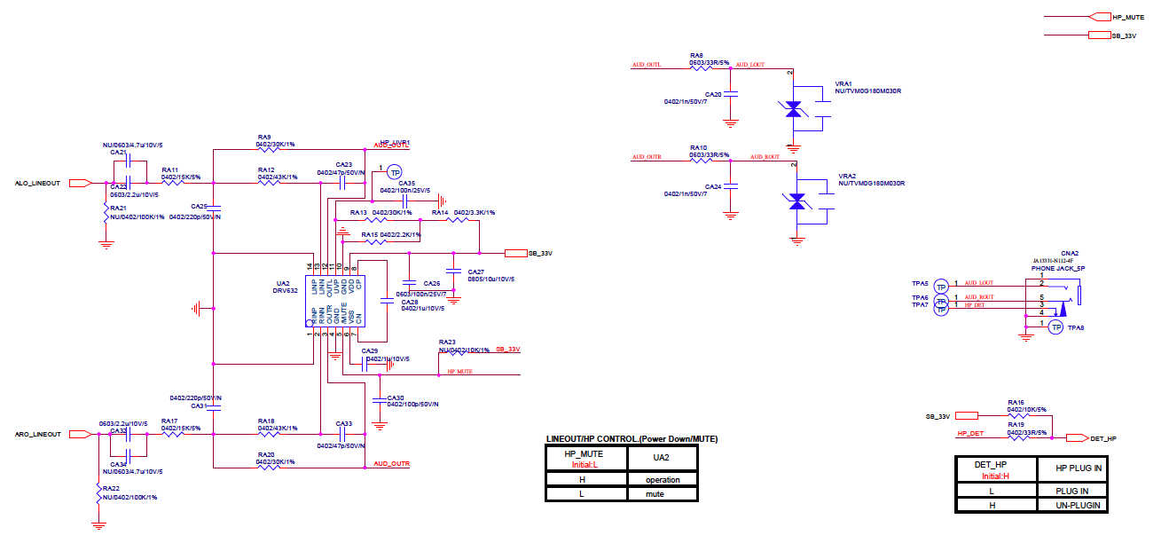
drv632 爆音issue

Other Parts Discussed in Thread: DRV632

目前发现在 AC off 时, DRV632 输出, 耳机会有 爆音一声
耳机线路如附件, 请问是否有何改善方式呢 ?