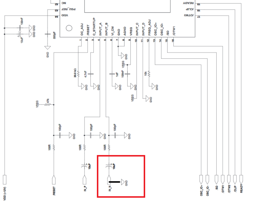
亲爱的工程师
鄙人现在正在使用TAS5613A做功放板,在PBTL模式中实行单端音频输入,但是音频输入端不能悬空,否则引脚READY为低电平。之后,对输入端进行电阻下拉,但是焊接的四块板子上,下拉电阻还不统一,请问一下这是怎么回事,应该如何解决这个问题,如何让板子稳定显示状态。
This thread has been locked.
If you have a related question, please click the "Ask a related question" button in the top right corner. The newly created question will be automatically linked to this question.
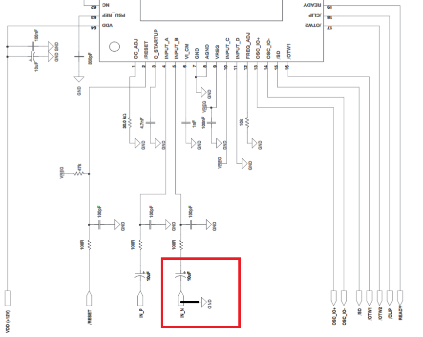
亲爱的工程师
鄙人现在正在使用TAS5613A做功放板,在PBTL模式中实行单端音频输入,但是音频输入端不能悬空,否则引脚READY为低电平。之后,对输入端进行电阻下拉,但是焊接的四块板子上,下拉电阻还不统一,请问一下这是怎么回事,应该如何解决这个问题,如何让板子稳定显示状态。