This thread has been locked.

If you have a related question, please click the "Ask a related question" button in the top right corner. The newly created question will be automatically linked to this question.

TAS5751M Clock issue



1. 請問0x02出錯了錯誤C0表示了甚麼原因? 

  PLL autolock error代表甚麼意思??

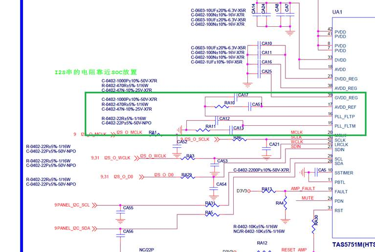
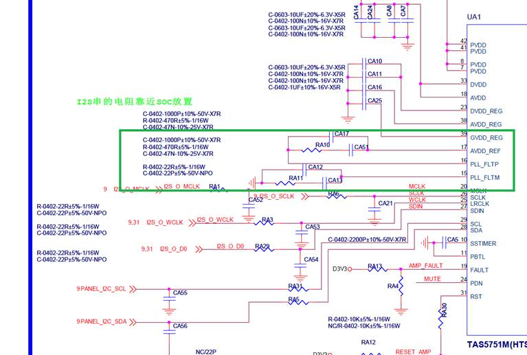
2. PLL_FLTP & PLL_FLTM在規格書沒有太多的說明, 這幾個電阻電容有沒有計算公式? 如果不是按造EVM的值會有甚麼影響?

是否就會出現PLL autolock error??

  • C0 代表的是MCLK error和PLLauto lock error,也就是说PLL没有锁存。
    PLL_FLTP 和PLL_FLTN是PLL的环路滤波器的引脚,影响着环路带宽,所以会影响PLL是否锁存,外部电阻电容建议是按照EVM uer's guie中的值。