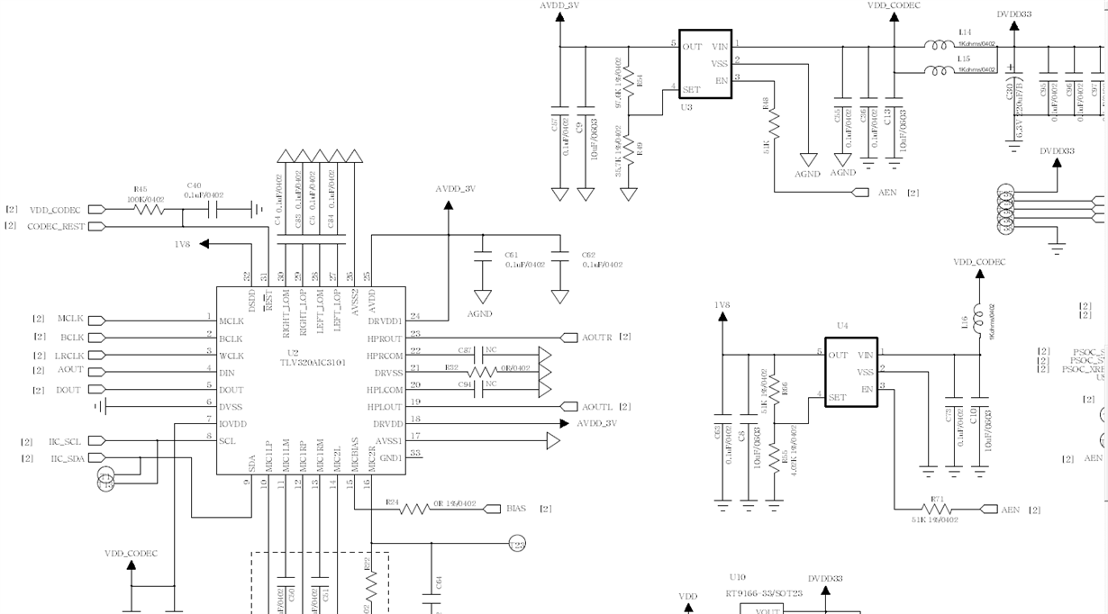
用接近开发板的电路,测试时,将输入用1uF短路,用苹果手机录音,底噪被很明显的被采集,出线白色条纹带,电源已经更改,现象没有任何改善。特别是在70Hz以下频段,有明显的噪声存在,是芯片本身的问题,还是软件及硬件配置问题?关键是消除低频噪声(该软件需要做实时监听功能),是不是不能用EQ调节功能?

void InitCodec()
{
volatile unsigned int delay = 0xFFF;
/* Select Page 0 */
CodecRegWrite(AIC31_P0_REG0, 0,sizeof(CodecWrite));
/* Reset the codec */
CodecRegWrite(AIC31_P0_REG1, AIC31_RESET,sizeof(CodecWrite));
while(delay--);
CodecRegWrite(AIC31_P0_REG9, (0u << 6u | 2u << 4u),sizeof(CodecWrite));
CodecRegWrite(AIC31_P0_REG10, 0,sizeof(CodecWrite));
CodecRegWrite( AIC31_P0_REG8, 0x00,sizeof(CodecWrite));
CodecRegWrite(AIC31_P0_REG7, 0x0A,sizeof(CodecWrite));
//set ADC
CodecRegWrite(AIC31_P0_REG15, 0x00,sizeof(CodecWrite));
CodecRegWrite(AIC31_P0_REG16, 0x00,sizeof(CodecWrite));
CodecRegWrite(AIC31_P0_REG17, 0x0F,sizeof(CodecWrite));
//CodecRegWrite(AIC31_P0_REG18, 0xF0,sizeof(CodecWrite));
CodecRegWrite(AIC31_P0_REG25, 0x40,sizeof(CodecWrite));
CodecRegWrite(AIC31_P0_REG19, 0x7c,sizeof(CodecWrite));
//CodecRegWrite(AIC31_P0_REG22, 0x04,sizeof(CodecWrite));
//set DAC
CodecRegWrite(AIC31_P0_REG37, 0xE0,sizeof(CodecWrite));
CodecRegWrite(AIC31_P0_REG41, 0x02,sizeof(CodecWrite));
CodecRegWrite(AIC31_P0_REG42, 0x6C,sizeof(CodecWrite));
CodecRegWrite(AIC31_P0_REG47, 0x80,sizeof(CodecWrite));
//CodecRegWrite(AIC31_P0_REG46, 0x80,sizeof(CodecWrite));
CodecRegWrite(AIC31_P0_REG51, 0x01,sizeof(CodecWrite));
CodecRegWrite(AIC31_P0_REG64, 0x80,sizeof(CodecWrite));
//CodecRegWrite(AIC31_P0_REG63, 0x80,sizeof(CodecWrite));
CodecRegWrite(AIC31_P0_REG65, 0x01,sizeof(CodecWrite));
CodecRegWrite(AIC31_P0_REG43, 0x00,sizeof(CodecWrite));
CodecRegWrite(AIC31_P0_REG44, 0x00,sizeof(CodecWrite));
CyDelay(500);//500ms
CodecRegWrite(AIC31_P0_REG51, 0x09,sizeof(CodecWrite));
CodecRegWrite(AIC31_P0_REG65, 0x09,sizeof(CodecWrite));
}