大家好:
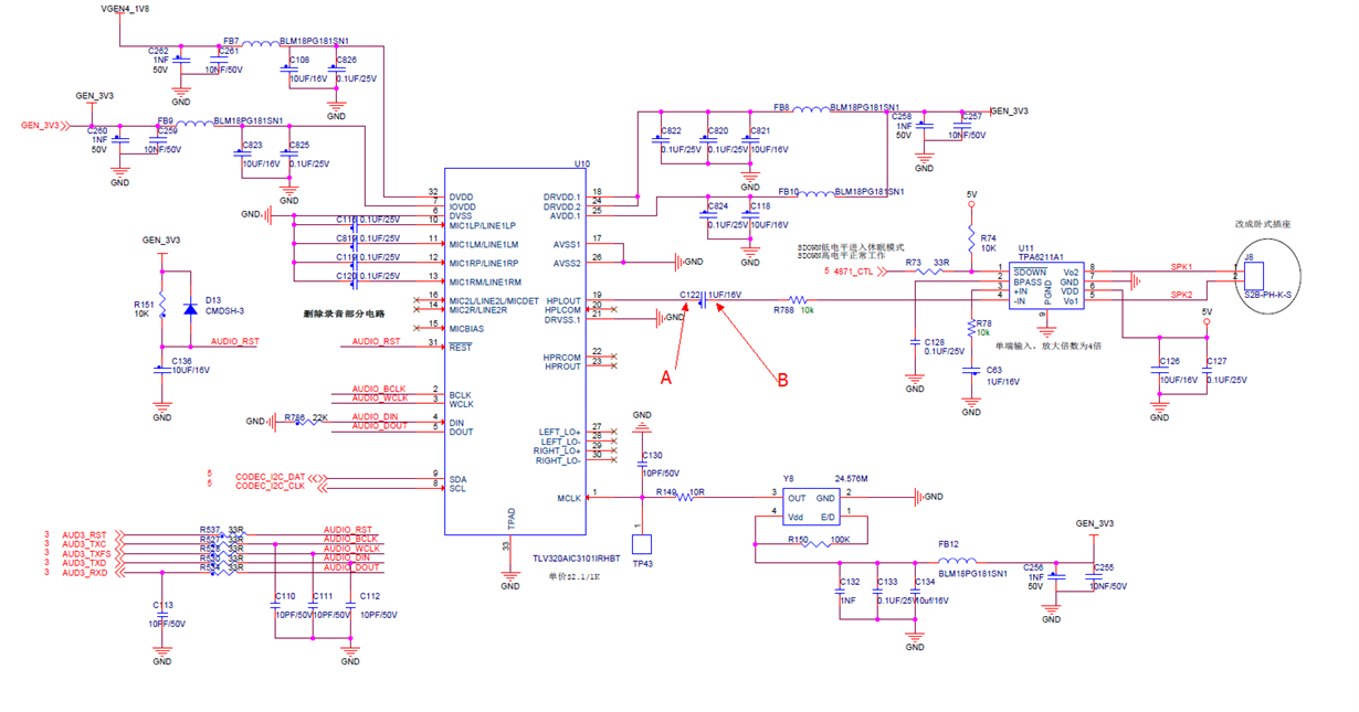
我在使用tlv320aic3101音频芯片时,发现在播放的一瞬间,会听到咔的一声。后面查找原因,发现是放大电路部分,有一个电容,该电容在播放的一瞬间,产生了一个杂波电信号,该信号经放大电路播放后,就是一个咔的噪音。请问这种问题应该怎么解决?
This thread has been locked.
If you have a related question, please click the "Ask a related question" button in the top right corner. The newly created question will be automatically linked to this question.
大家好:
我在使用tlv320aic3101音频芯片时,发现在播放的一瞬间,会听到咔的一声。后面查找原因,发现是放大电路部分,有一个电容,该电容在播放的一瞬间,产生了一个杂波电信号,该信号经放大电路播放后,就是一个咔的噪音。请问这种问题应该怎么解决?