This thread has been locked.

If you have a related question, please click the "Ask a related question" button in the top right corner. The newly created question will be automatically linked to this question.

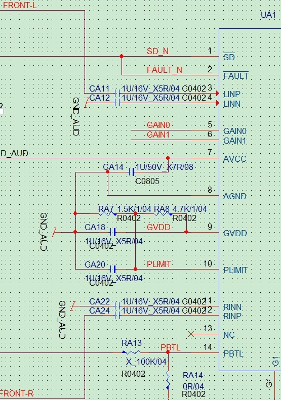
TPA3113D2输入3.3Vpp 1KHZ的音频信号,如何避免输出出现削顶失真?功率计算

Other Parts Discussed in Thread: TPA3113D2

使用TPA3113D2做1个2x5W的功放,PVCC是24V,扬声器是8Ω。

输入3.3Vpp 1KHZ的音频信号,如何才能避免输出出现削顶失真?急!

增益已经设置为最低(20DB)