This thread has been locked.

If you have a related question, please click the "Ask a related question" button in the top right corner. The newly created question will be automatically linked to this question.

TMUX1574DYYR 波形變小

Other Parts Discussed in Thread: TAS3251, TMUX1574

您好

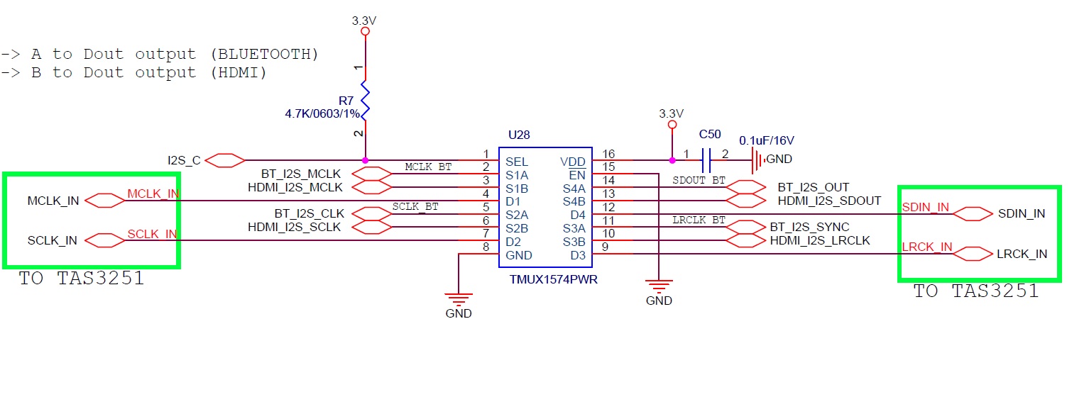
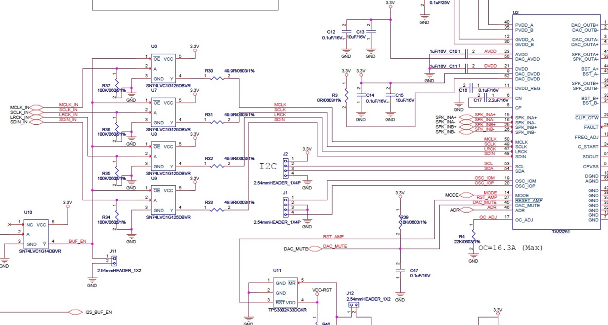
我的TAS3251應用在I2S切換上,如右敘述:   BT -> I2S  ->  TMUX1574DYYR -> TAS3251

BT 的I2S不接到  TMUX1574DYYR 時,電壓準位都有3.3V , 但是接到入 TMUX1574DYYR後,I2S訊號就會降到 0.多V

請問這是什麼問題?

下面第一張圖是正常的, 第二張圖波形就變得很小

第三張圖是線路圖