This thread has been locked.

If you have a related question, please click the "Ask a related question" button in the top right corner. The newly created question will be automatically linked to this question.

关于TLV320AIC3104录音噪声过大的咨询

Other Parts Discussed in Thread: TLV320AIC3104

DEAR TI:

我们有个案子使用的是TLV320AIC3104,原理图如下:

使用的是MIC1RP/MIC1RM通道,以下是开始录音时所有寄存器的值:

[ 8580.149952] reg:0,ret:0x0
[ 8580.155532] reg:1,ret:0x0
[ 8580.160671] reg:2,ret:0x0
[ 8580.165799] reg:3,ret:0x91
[ 8580.171010] reg:4,ret:0x1c
[ 8580.176221] reg:5,ret:0x36
[ 8580.181432] reg:6,ret:0xb0
[ 8580.186805] reg:7,ret:0x8a
[ 8580.192016] reg:8,ret:0x0
[ 8580.197140] reg:9,ret:0x0
[ 8580.203640] reg:10,ret:0x0
[ 8580.210241] reg:11,ret:0x1
[ 8580.216294] reg:12,ret:0x0
[ 8580.221505] reg:13,ret:0x0
[ 8580.226716] reg:14,ret:0x0
[ 8580.231926] reg:15,ret:0x6e
[ 8580.237224] reg:16,ret:0x6e
[ 8580.242524] reg:17,ret:0xff
[ 8580.247821] reg:18,ret:0xff
[ 8580.253118] reg:19,ret:0x78
[ 8580.258414] reg:20,ret:0x78
[ 8580.263710] reg:21,ret:0x78
[ 8580.269170] reg:22,ret:0x4
[ 8580.274380] reg:23,ret:0x78
[ 8580.279678] reg:24,ret:0x78
[ 8580.286352] reg:25,ret:0x40
[ 8580.293025] reg:26,ret:0x0
[ 8580.299091] reg:27,ret:0xfe
[ 8580.304388] reg:28,ret:0x0
[ 8580.309598] reg:29,ret:0x0
[ 8580.314809] reg:30,ret:0xfe
[ 8580.320106] reg:31,ret:0x0
[ 8580.325316] reg:32,ret:0x18
[ 8580.330613] reg:33,ret:0x18
[ 8580.335910] reg:34,ret:0x0
[ 8580.341121] reg:35,ret:0x0
[ 8580.346331] reg:36,ret:0x0
[ 8580.351542] reg:37,ret:0x0
[ 8580.356915] reg:38,ret:0x0
[ 8580.362125] reg:39,ret:0x0
[ 8580.367336] reg:40,ret:0x0
[ 8580.373923] reg:41,ret:0x0
[ 8580.380509] reg:42,ret:0x0
[ 8580.386574] reg:43,ret:0xaf
[ 8580.391871] reg:44,ret:0xaf
[ 8580.397168] reg:45,ret:0x0
[ 8580.402379] reg:46,ret:0x2f
[ 8580.407676] reg:47,ret:0xaf
[ 8580.412973] reg:48,ret:0x0
[ 8580.418187] reg:49,ret:0x0
[ 8580.424944] reg:50,ret:0x0
[ 8580.431530] reg:51,ret:0xc
[ 8580.437596] reg:52,ret:0x0
[ 8580.442807] reg:53,ret:0x2f
[ 8580.448104] reg:54,ret:0xaf
[ 8580.453400] reg:55,ret:0x0
[ 8580.458611] reg:56,ret:0x0
[ 8580.463821] reg:57,ret:0x0
[ 8580.469031] reg:58,ret:0xc
[ 8580.474241] reg:59,ret:0x0
[ 8580.479451] reg:60,ret:0x0
[ 8580.484662] reg:61,ret:0x0
[ 8580.489872] reg:62,ret:0x0
[ 8580.495082] reg:63,ret:0x2f
[ 8580.500378] reg:64,ret:0xaf
[ 8580.505676] reg:65,ret:0xc
[ 8580.510886] reg:66,ret:0x0
[ 8580.516097] reg:67,ret:0x0
[ 8580.521308] reg:68,ret:0x0
[ 8580.526681] reg:69,ret:0x0
[ 8580.531891] reg:70,ret:0x2f
[ 8580.537188] reg:71,ret:0xaf
[ 8580.543861] reg:72,ret:0xc
[ 8580.550448] reg:73,ret:0x0
[ 8580.556520] reg:74,ret:0x0
[ 8580.561730] reg:75,ret:0x0
[ 8580.566941] reg:76,ret:0x0
[ 8580.572151] reg:77,ret:0x0
[ 8580.577361] reg:78,ret:0x0
[ 8580.582570] reg:79,ret:0x0
[ 8580.587781] reg:80,ret:0x0
[ 8580.592991] reg:81,ret:0x2f
[ 8580.598287] reg:82,ret:0x80
[ 8580.603584] reg:83,ret:0x0
[ 8580.608794] reg:84,ret:0x0
[ 8580.614168] reg:85,ret:0x0
[ 8580.619378] reg:86,ret:0x8
[ 8580.624589] reg:87,ret:0x0
[ 8580.631175] reg:88,ret:0x0
[ 8580.637762] reg:89,ret:0x0
[ 8580.643828] reg:90,ret:0x0
[ 8580.649039] reg:91,ret:0x2f
[ 8580.654336] reg:92,ret:0x80
[ 8580.659632] reg:93,ret:0x8
[ 8580.664843] reg:94,ret:0x0
[ 8580.670053] reg:95,ret:0x0
[ 8580.675268] reg:96,ret:0x0
[ 8580.680479] reg:97,ret:0x0
[ 8580.685689] reg:98,ret:0x0
[ 8580.690900] reg:99,ret:0x0
[ 8580.696273] reg:100,ret:0x0
[ 8580.701569] reg:101,ret:0x0
[ 8580.706866] reg:102,ret:0x2
[ 8580.713540] reg:103,ret:0x0
[ 8580.720213] reg:104,ret:0x0
[ 8580.726366] reg:105,ret:0x0
[ 8580.731663] reg:106,ret:0x0
[ 8580.736960] reg:107,ret:0x0
[ 8580.742257] reg:108,ret:0x0
[ 8580.747552] reg:109,ret:0x0

另外附上录音文件:

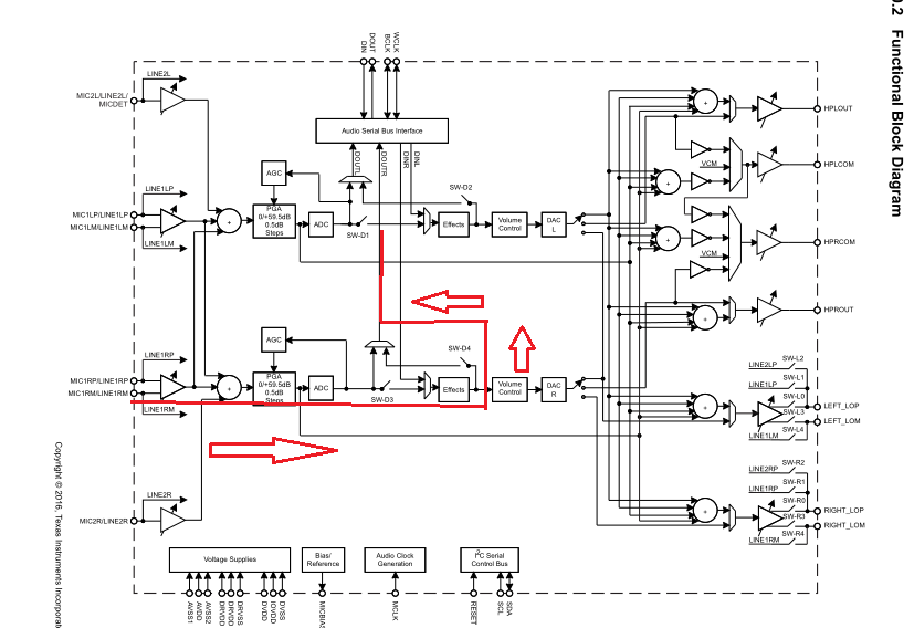
另外,我们想了一个办法,想走如下通路,通过EFFECTS单元来消除噪声,但是效果不理想,请问是我们的配置有问题吗?

我们的配置方法:

page 0, register 37, bits D7–D6 (D7 = D6 = 0)

writing a 1 to page 0, register 107, bit D3

附上通路:

谢谢!!!

  • 您好,
    您是否使用直接源,如在输入端直接输入正弦波,进行过测试,以查看噪声是否仍然存在?
    您可以分享出WCLK、BCLK和DOUT等音频串行接口的示波器图吗,最好强调出WCLK和BCLK边缘同步
    系统中产生噪音的原因有很多,下面链接列出了最常见的原因:
    e2e.ti.com/.../901452