This thread has been locked.

If you have a related question, please click the "Ask a related question" button in the top right corner. The newly created question will be automatically linked to this question.

TPA3116 THD+N不能稳定

Other Parts Discussed in Thread: TPA3116D2

1 在使用PBTL模式下,负载2欧姆,功耗达到100w时,THD+N刚开始0.6%,几分钟后就上升为5% 6%了,更换了4.7uH 3.3uH   12A的电感后依然,吹着风扇也是没用,这个是怎么回事?

2 还想问一下在使用PBTL的模式下,贵司规格书上提供的那个散热片是在什么情况使用,100w的时候还能使用吗?

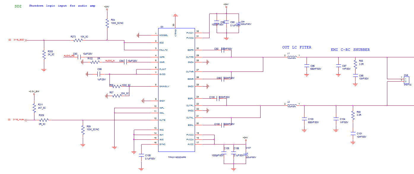
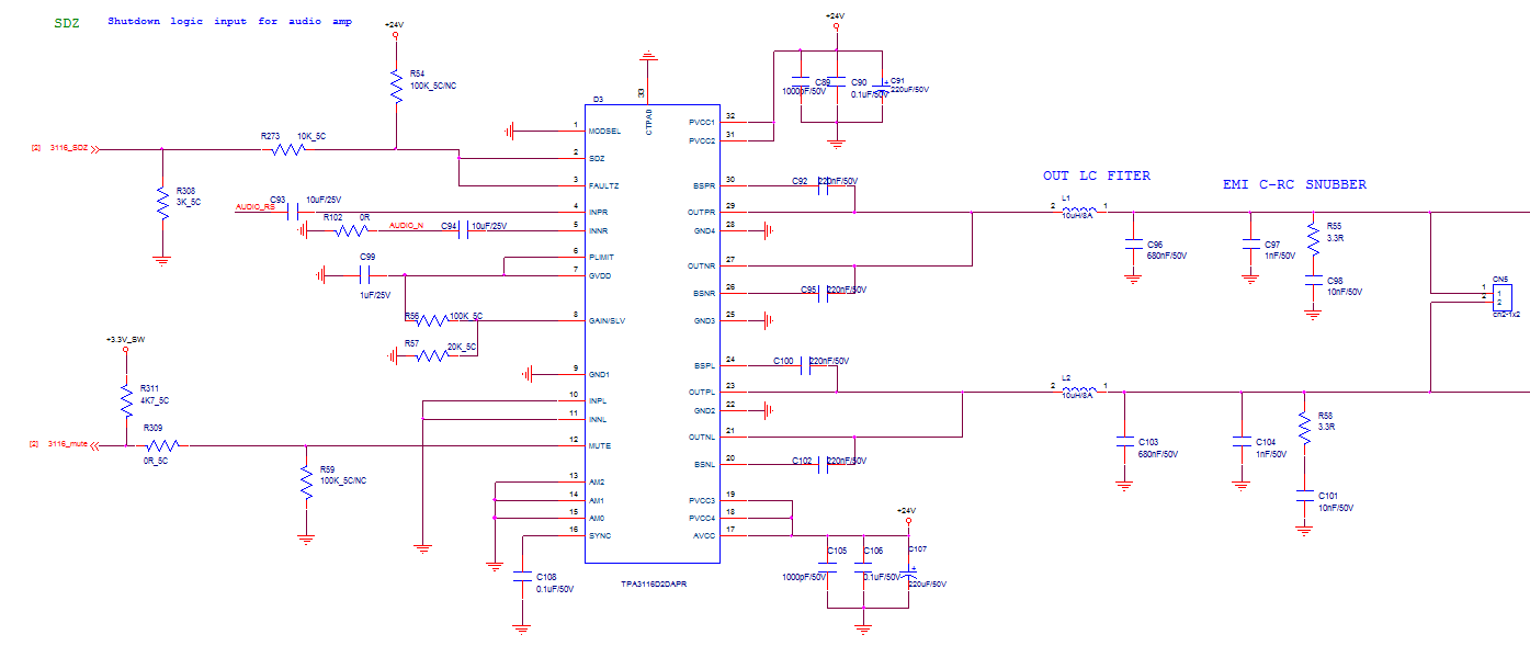
原理图图如下:

  • 1. 您好,THD+N一直在升高,需要确定的是干扰源在哪里,在测试THD+N的时候,是否尝试改变输入信号的幅值,或者改变输入信号的频率,看下THD+N随频率变化的扫描曲线,从而确定这个干扰频率的频率点在哪里。
    2. datasheet中建议在15W或30W的条件下不需要使用散热器,50W以上是建议使用的。If even higher power is needed the
    TPA3116D2 does 2 × 50 W / 4 Ω with a small heatsink attached to its top side PowerPAD.
    EVM user's guide中的output power就是在PBTL 100W条件下使用的。
  • 1 THD+N升高是在负载在2欧姆的时候才有的情况,4om时不会变化,比较怀疑是功耗比较大才导致的,更换电感和吹风扇降温都没啥效果
    2 散热片用规格书上的那个就可以支持到100w的使用情况吗?