This thread has been locked.

If you have a related question, please click the "Ask a related question" button in the top right corner. The newly created question will be automatically linked to this question.

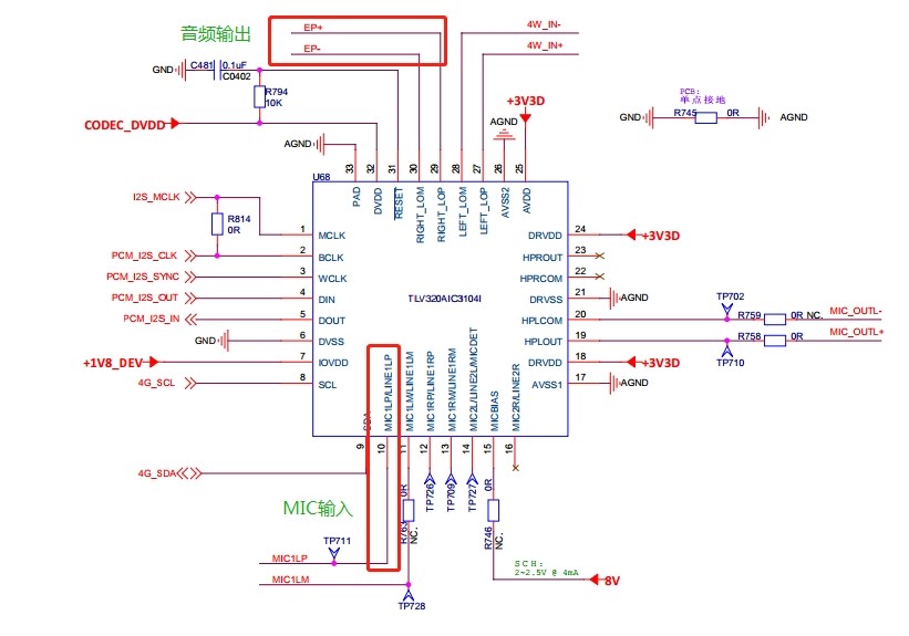
音频差分输出 EP+和EP- 语音信号 中背景哧哧 的噪音

Other Parts Discussed in Thread: TLV320AIC3104

Hi  Ti 工程师,

TLV320AIC3104I  应用电路如下 ,  在进行通话测试中 ,音频差分输出 EP+和EP- 语音信号 中背景哧哧 的噪音,

请问一下造成这个问题的原因,有没有好的解决方案;

目前有一个思路:通过寄存器可以对音频差分输出 EP+和EP-   的通道输出进行滤波的寄存器配置的 ?方案是否可行?

  • 您好,
    您是说在MIC录音的时候,RIGHT_LOP/M输出有噪音是吗?
    您直接在输入端输入正弦波进行测试,以查看噪音是否仍然存在?
    产生噪音的原因有很多,在排除输入端引起的噪声后,下面文档列出了最常见的原因:
    e2echina.ti.com/.../200067

    另外,EP+和EP-的输出是直接接在喇叭上了吗,您的喇叭电阻是多少?TLV320AIC3104线性输出驱动的负载最小是10KΩ,一般是需要加功放的