你好
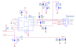
关于TS3A227E部分原理图需要帮忙确认,我们是使用下面这种耳机规格,请帮忙确认一下DET_TRIGGER这部分电路图该怎么搭建,HP_HPD该怎样检测,谢谢!
耳机规格:

原理图:

This thread has been locked.
If you have a related question, please click the "Ask a related question" button in the top right corner. The newly created question will be automatically linked to this question.
你好
关于TS3A227E部分原理图需要帮忙确认,我们是使用下面这种耳机规格,请帮忙确认一下DET_TRIGGER这部分电路图该怎么搭建,HP_HPD该怎样检测,谢谢!
耳机规格:

原理图:

您好,
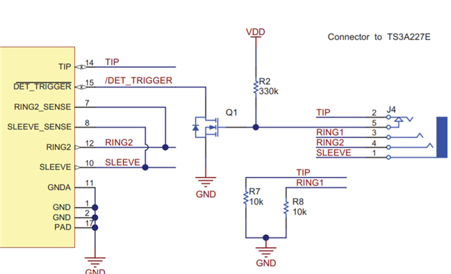
需要给DET_TRIGGER引脚一个逻辑高到逻辑低的电压转换,有一个延迟,然后启动TS3A227E的检测序列,该引脚在内部上拉至VDD,因此在未插入附件时,无需外接上拉电阻。一般该引脚最常见的连接方式是将其连接到音频插座,以便插入和拔出附件时触发电压转换。这是因为许多3.5mm插座含有在插入设备之前短接在一起的引脚(NC)或在插入设备之前开路的引脚(NO)。
下图显示了DET_TRIGGER的内部上拉电阻。如果音频插孔中有一个常开(NO)机械开关,当将耳机插头插入插孔时,机械开关将关闭,将DET_TRIGGER拉低,实现电压高到低的转换
