Part Number: TLV320ADC3100
我们使用TLV320ADC3100芯片作为声音输入通道,输出会一直接着音响,然后接无源麦克风会出现明显的底噪音,有源麦克风接上去底噪生会好很多,是能接受的范围。
1.我们是推流产品所以会一直去采集音视频送到输出端,切到TLV320ADC3100这个输入通道的时侯,接上麦克风TLV320ADC就会开始工作,就会出现底噪。
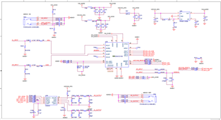
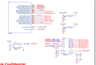
看是否有办法能优化这个问题?下面我贴出初始化的寄存器配置以及部分电路图
snd_soc_write(codec, 0x00, 0x00);//切换寄存器页到页0
snd_soc_write(codec, 0x01, 0x01);//软复位
//2
snd_soc_write(codec, 0x04, 0x03);//set pll=mclk, codev_clk=pll
snd_soc_write(codec, 0x05, 0x91);//set p=r=1
snd_soc_write(codec, 0x06, 0x07);//set j=7
//d=5264
snd_soc_write(codec, 0x07, 0x14);
snd_soc_write(codec, 0x08, 0x90);
snd_soc_write(codec, 0x12, 0x88);// NADC = 8
snd_soc_write(codec, 0x13, 0x82);// MADC = 2
snd_soc_write(codec, 0x14, 0x80);// AOSR = 128
snd_soc_write(codec, 0x1b, 0x0c);//
//snd_soc_write(codec, 0x1d, 0x07);
snd_soc_write(codec, 0x1e, 0x84);
snd_soc_write(codec, 0x3d, 0x01);
snd_soc_write(codec, ADC310X_MIC_BIAS_CTRL, 0x00);//0X33
snd_soc_write(codec, ADC310X_INPUT_SEL_PGA_L_1, 0xf1);//0X34
snd_soc_write(codec, ADC310X_INPUT_SEL_PGA_R_1, 0xf1);//0x37
snd_soc_write(codec, ADC310X_PGA_ANALOG_L, 0x00);//0x3b
snd_soc_write(codec, ADC310X_PGA_ANALOG_R, 0x00);//0x3c
snd_soc_write(codec, ADC310X_LOW_CURRENT, 0x00);//0x3d
// 4
//snd_soc_write(codec, 0x00, 0x00);
snd_soc_write(codec, 0x51, 0xc2);
snd_soc_write(codec, 0x52, 0x00); // UNMUTE
// 5 SET VOL
snd_soc_write(codec, 0x53, 0x28);//+40db
snd_soc_write(codec, 0x54, 0x28);//+40db

