我最近正在用FPGA做TLVADC3101的驱动,碰到不少问题,本人是新手,能力有限,固有些问题不能解决,特来此请教各位大虾,希望能够得到各位的帮助,在下不胜感激,在此先行谢过!
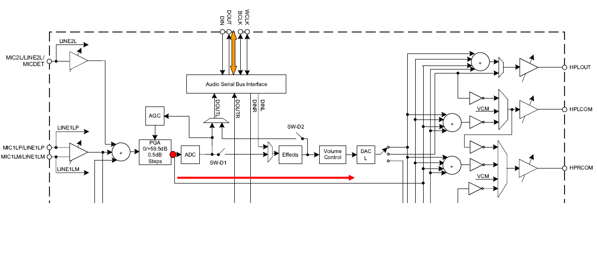
控制方面,现在FPGA已经可以通过I2C总线对AIC3101的内部寄存器进行配置。语音数据交互方面,将AIC3101作为主设备,采用I2S的数据交互方式。FPGA的工作时钟为44MHz,并将此时钟作为MCLK由FPGA输入给AIC3101。WCLK和BCLK则由AIC3101通过内部PLL产生,并由AIC3101输出给FPGA。ADC/DAC采样频率为48KHz,数据长度32bit,配置PLL的P.R.J.D值为:P=3, R=1, J=6, D=7025。麦克风从MIC2L单端输入(或MIC2L与MIC2R双端),内部连接到左右声道,经过PGA 0db 放大后 音频直接输出到HPROUT(HPROUT/HPRCOM或HPLOUT/HPLCOM)。
具体的内部时钟寄存器配置如下:
一、44MHz系统主时钟(MCLK)输入,使用PLL,ADC/DAC采样频率为48KHz,配置PLL的P.R.J.D值为:P=3, R=1, J=6, D=7025,具体的寄存器配置如下:
WrData(0,0x00);
WrData(01,0x80); //软件复位
WrData(101,0x00); //使用PLL来产生codec内部时钟(reg 101)
WrData(07,0x0A); //选择48KHz参考采样频率(reg 7),L-DAC播放I2S-L输入信号, R-DAC播放I2S-R输入信号
WrData(03,0x93); //允许PLL,P=3(reg 03)
WrData(04,0x18); // J=6(reg 4)
WrData(05,0x6D); // 6D为D值的高8位
WrData(06,0XC4); // C4为D值的低6位
//配置音频接口主模式,数据字长32位,I2S格式
WrData(08,0x D0); //接口主模式,即使在ADC以及DAC POWER Off时BCLK/WCLK仍有输出
WrData(09,0x37); //32bit,I2S格式,连续BCLK时钟输出模式,允许重新同步
二、音频I2S接口寄存器配置
//配置音频接口主模式,数据字长32位,I2S格式
WrData(08,0x D0); //接口主模式,即使在ADC以及DAC POWER Off时BCLK/WCLK仍有输出
WrData(09,0x37); //32bit,I2S格式,允许重新同步
三、语音输出寄存器配置
//3.3V CODEC 电源, HPLOUT/HPROUT电容型输出
WrData(14,0x80); 电容型输出(Reg 14)
WrData(40,0x80); 输出直流偏压电压设定为1.65V(Reg 40)
WrData(42,0x8E); 输出级上升延时400ms,信号上升时间4ms(Reg 42)
四、ADC通道寄存器配置
//单端MIC从AIC31的 MIC2L/LINE2L输入。MIC偏置电压为2.5V,放大增益为26dB。I2S L/R通道同时输出麦克风信号
WrData(25,0x80); 麦克风偏置电压为2.5V(reg 25)
WrData(17,0x00); 连接MIC2L到 L-ADC PGA,MIC2设置为单端输入模式(reg 17)
WrData(18,0x00); 连接MIC2L到 R-ADC PGA(reg 18)
WrData(26,0x80); enable left AGC(Reg 26)
WrData(15,0x34); // left ADC PGA not mute,L-ADC PGA增益设定为26dB (reg 15)
WrData(27,0x68); // left AGC 增益设定为26dB (与L-ADC增益一致) (reg 27)
WrData(29,0x80); // enable right AGC(Reg 29)
WrData(16,0X34); // right ADC PGA not mute,R-ADC PGA增益设定为26dB(Reg 16)
WrData(30,0x68); //right AGC 增益设定为26dB (与R-ADC增益一致) (reg 27)
WrData(19,0x7C);// L-ADC上电(Reg 19)
WrData(22,0x7C); // R-ADC上电(Reg 22)
五、DAC模拟输出通道寄存器配置
//Stereo Headphone, Stereo external audio amplifier
WrData(37,0x E0); L-DAC/R-DAC上电,HPLCOM独立单端输出(reg 37)
WrData(41,0x01); L-DAC选择DAC-L1,R-DAC选择 DAC-R1,左通道DAC数字音量跟随右通道音量值(reg 41)
WrData(43,0x00); //设置L-DAC数字音量=0dB。(reg 43)
WrData(44,0x00); //设置R-DAC数字音量=0dB。(reg 44)
WrData(38,0x10); //寄存器设置值. 允许PLL,P=3(reg 03)
WrData(51,0x0D); // HPLOUT上电非静音,电平设置= 0dB(reg 51)
WrData(47,0x80); / HPLOUT通道模拟音量设置,DAC-L1引入到HPLOUT,音量= 0dB(reg 47)
WrData(46,0X80); // PGA_L to HPLOUT, 0db,音量=0dB(reg 46)
WrData(58,0x0D); // HPLCOM上电非静音,电平设置=0dB(reg 58)
WrData(54,0x80); // HPLCOM模拟音量设置, DAC-L1引入到HPLCOM,音量=0dB(reg 54)
WrData(65,0x0D); // HPROUT上电,非静音,电平设置=0dB(reg 65)
WrData(64,0x80); // HPROUT模拟音量设置,DAC-R1引入到HPROUT,音量=0dB(reg 64)
WrData(63,0x80); / /PGA_R to HPROUT, 0db,音量=0dB(reg 63)
WrData(72,0X0D); // PGA_L to HPLOUT, 0db,音量=0dB(reg 46)
WrData(71,0x80); / / HPRCOM模拟音量设置DAC-R1引入到HPRCOM,音量=0dB(reg 71)
WrData(107,0X08); // ADC digital output to programmable filter path
由以上的配置,可以得到一些结果:通过示波器,可以观察到产生的WCLK为48KHz,BCLK为3.07MHz。符合期望值,具体如图1所示
图1 AIC3101的WCLK(上)与BCLK(下)管脚信号
在图1中,WCLK的一个高电平内,有32个BCLK时钟数目,亦即一个WCLK中BCLK时钟数目= 2X数据字长,若将32改为16,BCLK的数目也将相应的改变。这与数据手册上所描述的一致。
但是输出端却没有任何声音,所以我的主要问题就是:
问题1:不知道我所选择的ADC以及DAC输出模式与实际的硬件是否匹配?或是硬件的设计本身就存在问题?我个人觉得这个基于这个硬件平台,我所选取的输入记忆输出模式存在很大问题,但是对照手册,却找不到原因,望能得到大虾的指点!具体的硬件原理图如下:
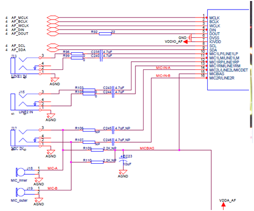
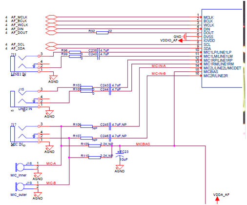
图2麦克风输入( 我选择MIC2L单端输入,即pin14)
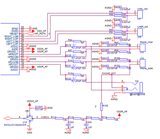
图3 语音输出(我选择pin20、22、23之后的J12和J14输出,即在J12和J14焊接两个小喇叭,但是最终却没有声音。)
问题2:在整个语音采集的过程中,也就是整个数据的交互过程中,是否可以将AIC3101一直作为主设备?或是AIC3101必须在主从设备之间切换?
问题3:如本例所采用的I2S模式,数据字为长32bit,是否就是将32bit的数据分为左右两个通道各16bit,分别在一个周期的WCLK的高低电平内进行传输?
问题4:若问题3的回答是肯定的,图5为AIC3101芯片WCLK(上)与DOUT(下)管脚的波型。不知道DOUT数据是否正确?因为在WCLK的低电平周期内,DOUT的数据显然不止16bit。
图5 AIC3101的 WCLK(上)与DOUT(下)管脚信号
图6 AIC3101的DOUT(上)与DIN(下)管脚信号
最后非常期望能够得到各位大虾的帮助,再次表示感谢!






