This thread has been locked.

If you have a related question, please click the "Ask a related question" button in the top right corner. The newly created question will be automatically linked to this question.

PCM1792ADBR输出噪声大

Other Parts Discussed in Thread: PCM1792A, PCM1792

嗨,

         我目前在用PCM1792ADBR做一个小电流信号发生器,要求PCM1792ADBR出来的电流I经过I/V电路后,输出噪声要小于1uV,但是用示波器测量得到的噪声值竟然有80uV,这是不能接受的。PCM1792ADBR的数据手册里面写到SNR有127dB,为什么噪声会那么大呢?

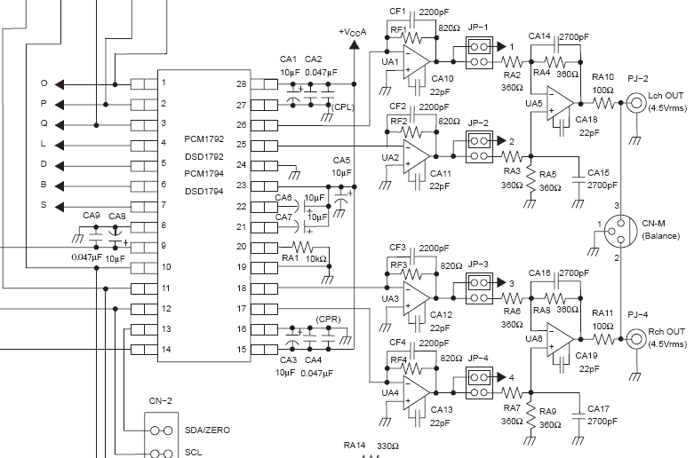
      我使用的电路和下图大部分一样,其中I/V电路的运放是OPA2211SPWP,RF1到RF4这四个电阻均是430Ω,CF1到CF4这四个电容均是0.47uF。过了I/V电路,测量得到的噪声为80uV。为什么会有那么大的噪声,希望得到你的答复。

  • 你好:

    首先我想说你的要求噪声1uv是个非常高的标准,10uv以内的噪声都算比较高的标准了。其次,你用示波器测试到的80uv,这个数字我们不能当做确定的数。第一,示波器的精度,它本身有多大的底噪,还有测试的时候连接,地线是否接好。示波器是不是接了大地,大地也有会有干扰。这些都是问题,我不建议用示波器看这么小的信号。我们在实验室用AP,专门分析音频的仪器测试底噪,才可以达到uv级。示波器看,我不推荐这种方法。

    无论如何,我觉得要保持底噪小,电源,板子的布局,布线都要注意,元器件的一致性也要保证。这些都是实现底噪小需要考虑的问题。所以如果觉得底噪大,那么请考虑这几个方面。

    谢谢。

     

  • 你好,

             谢谢你的解答。1、那除了使用AP来测量uV级噪声,还有什么好的设备或者方法测量呢?因为公司没有AP。2、PCM1792A的噪声好的话能做到多少?

     

  • 首先想弄明白一个问题,你所谓的噪声是应该是在一定带宽范围下的,不知道你测试的具体带宽是多少?

    我们公司有一款专门针对噪声和振动的产品,具有两路输入,两路输出。输入通道在25.6kHz BW的情况下空闲噪声小于1.6uVrms,输出通道在25.6kHz BW的情况下噪声小于5uVrms

    具体产品的连接:http://www.pansino.com.cn/product/hardware_final.aspx?pd=1&cd=7&id=23

    你可以参考上面的资料,如果有技术需要与我联系024-83602018-811

  • 带宽是15.7k。看了你介绍的产品,是数据采集卡,体积太大了,不符合需求的。

  • 你好:

    1. 目前测音频比较专业的就是AP了,示波器虽然比较常见,但是比较难测准。

    2.PCM1792标称的是127dB,但是它是电流型的输出,后面还要接IV变换,还有低通滤波器。后级的这些包括布板都有影响,不太好用指标去量化整个系统噪声最好是多少。我想这个跟后级有很大关系。